EasyManua.ls Logo

Record Power PT107 - Page 42

Record Power PT107
52 pages
Print Icon
To Next Page IconTo Next Page
To Next Page IconTo Next Page
To Previous Page IconTo Previous Page
To Previous Page IconTo Previous Page
Loading...
42
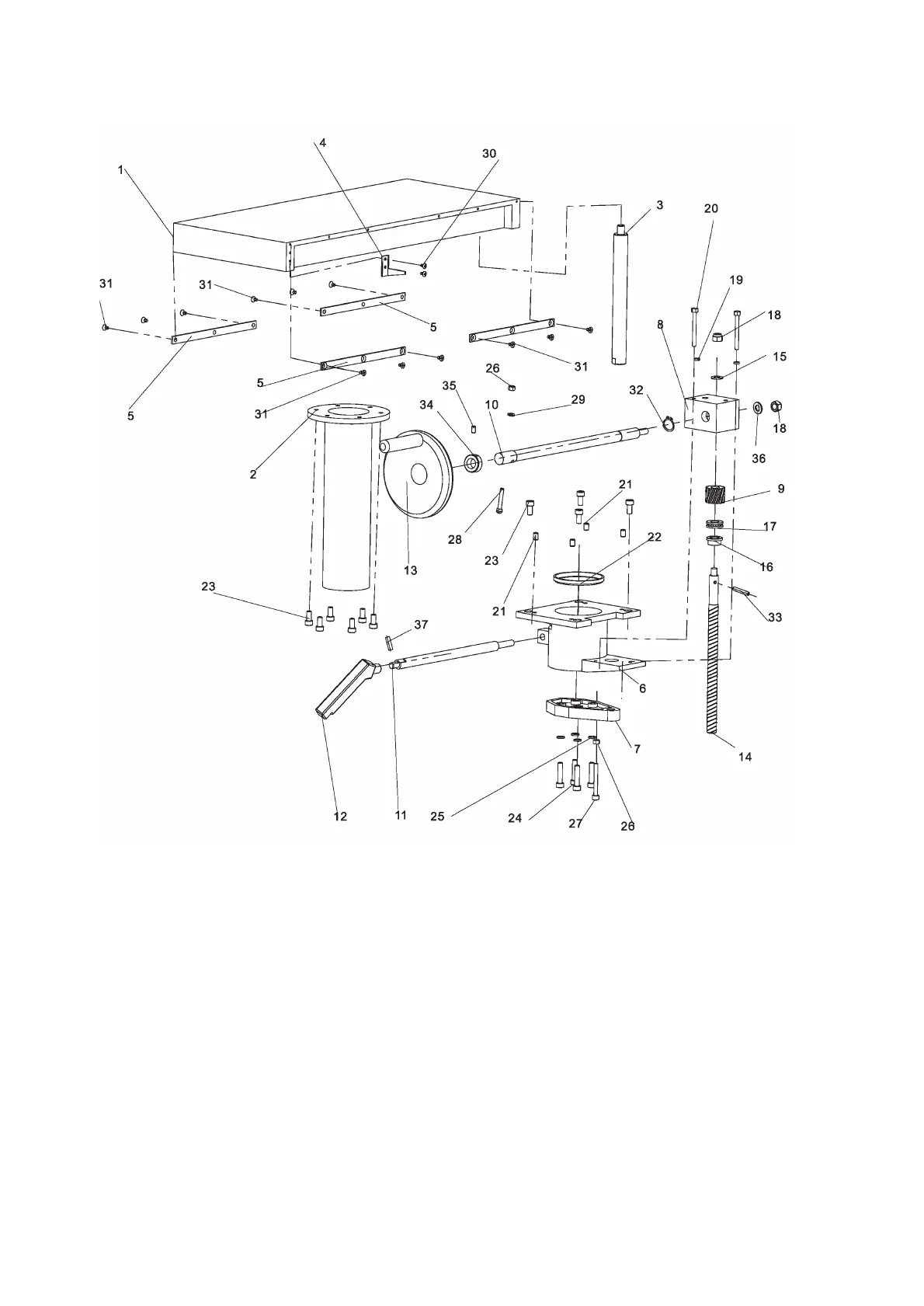
16. Parts Lists & Diagrams - cont.
NO. DESCRIPTION QUANTITY
1 Thicknessing table 1
2 Raise guide rail 1
3 Special guide 1
4 Height indicator 1
5 Edge plate 4
6 Fixed guide rail 1
7 Screw guide 1
8 Raise gear seat 1
9 Raise gear 1
10 Raise shaft 1
11 Clamp rod 1
12 Clamp lever 1
13 Handle wheel, raising 1
14 Rise and fall lead screw 1
15 Spacer 1
16 Spacer 1
17 Thrust bearing 51102 1
18 Hex lock nut M10 2
19 Spring washer 6 mm 2
NO. DESCRIPTION QUANTITY
20 Hex head screw M6 x 60 mm 2
21 Set screw M8 x 12 mm 4
22 Oil seal 1
23 Hex screw M8 x 16 mm 10
24 Hex screw M8 x 35 mm 4
25 Spring washer 8 mm 4
26 Hex nut M6 2
27 Hex screw M6 x 55 mm 1
28 Carriage bolt M6 x 40 mm 1
29 Washer 6 mm 1
30 Pan head screw M4 x 10 mm 2
31 Cross sunk head screw M4 x 8 mm 12
32 Circle ring 18 mm 1
33 Roll pin 5 x 10 mm 1
34 Collar 1
35 Set screw M8 x 8 mm 1
36 Washer 10 mm 1
37 Roll pin 2.5 x 12 mm 1
PT107 Manual 3.2.indd 42PT107 Manual 3.2.indd 42 25/04/2022 14:45:1325/04/2022 14:45:13

Other manuals for Record Power PT107

Related product manuals