EasyManua.ls Logo

Record STM 20 - Page 11

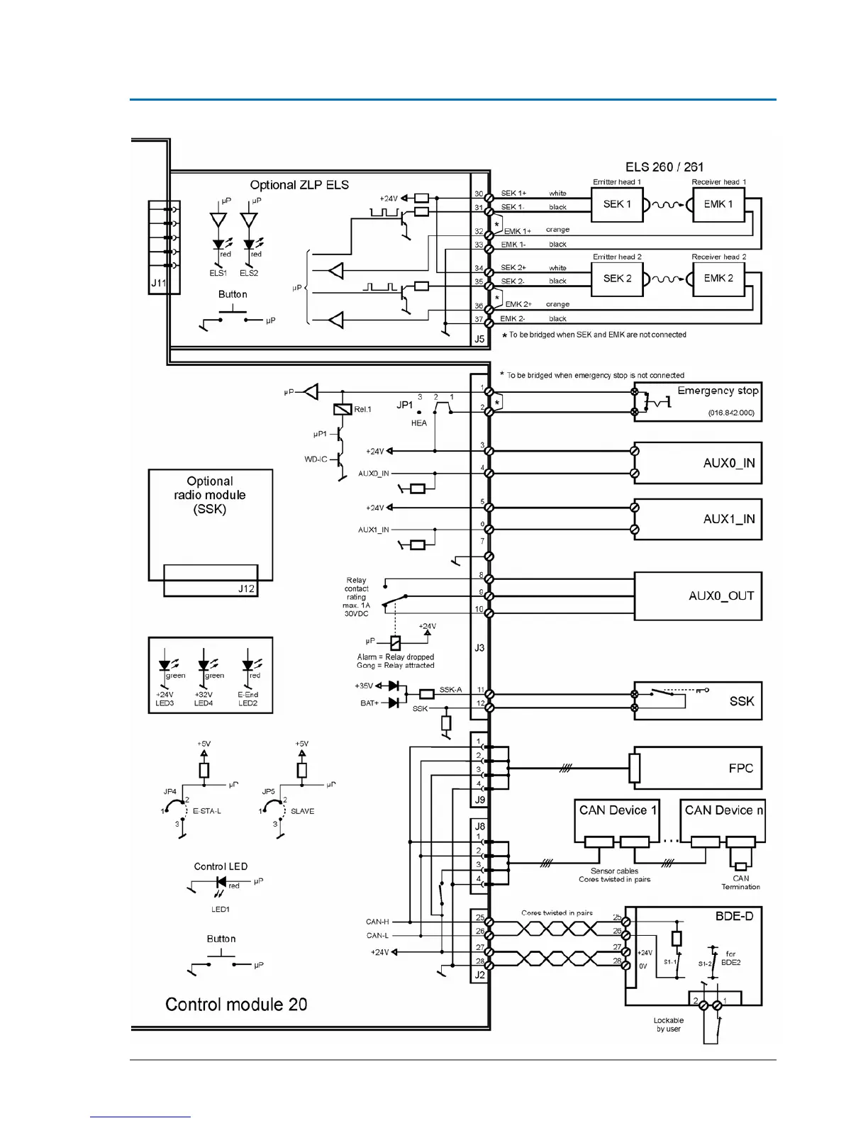
Record STM 20
36 pages
Print Icon
To Next Page IconTo Next Page
To Next Page IconTo Next Page
To Previous Page IconTo Previous Page
To Previous Page IconTo Previous Page
Loading...
Control module STM 20 2
B6_Control_SYS20_EN_V1.3.doc Art. Nr. 102-020401135 11 / 36
102-020109935

Related product manuals