EasyManua.ls Logo

Record STM 20 - Wiring Diagram Control Module STM 22 DUO;RED

Record STM 20
36 pages
Print Icon
To Next Page IconTo Next Page
To Next Page IconTo Next Page
To Previous Page IconTo Previous Page
To Previous Page IconTo Previous Page
Loading...
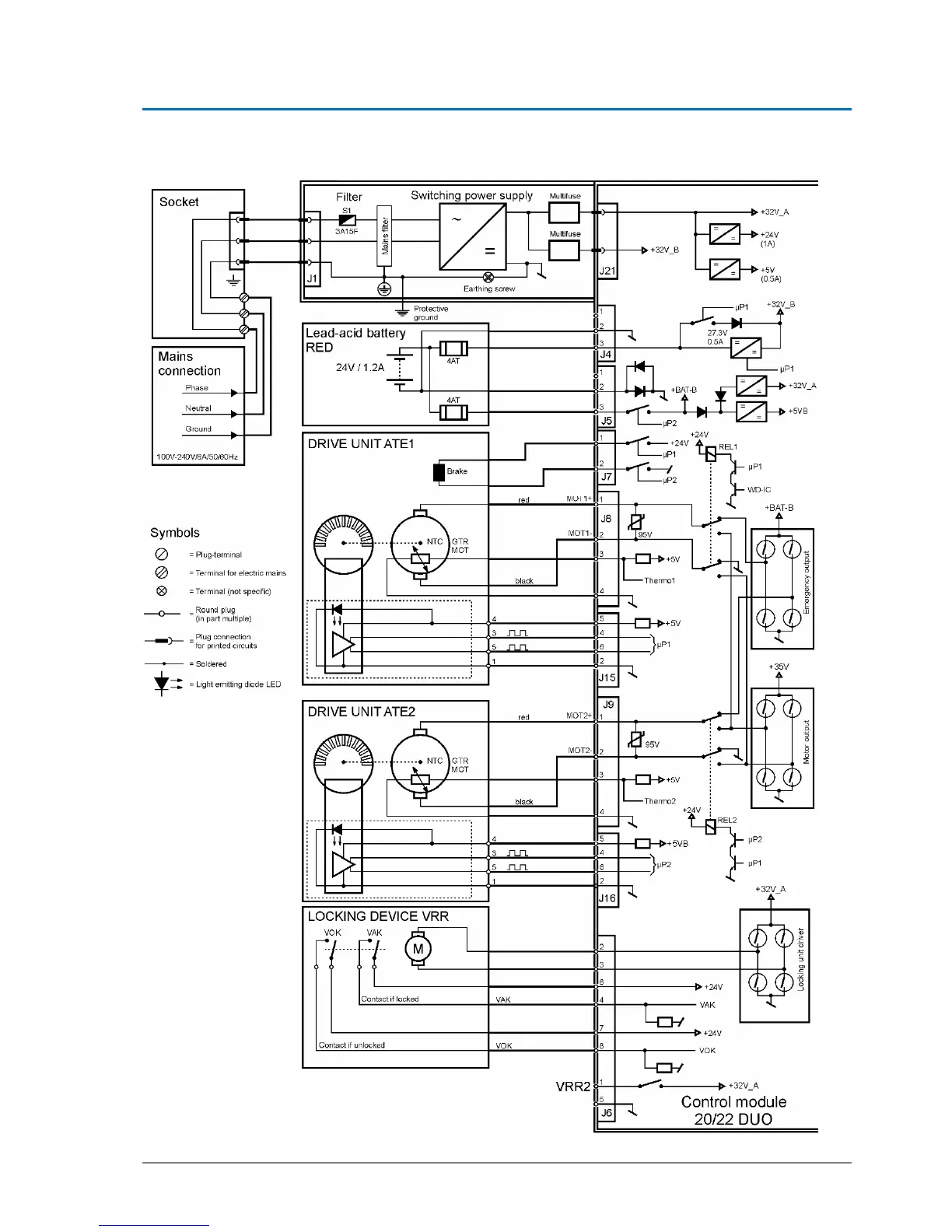
Control module STM 22 RED/DUO 6
B6_Control_SYS20_EN_V1.3.doc Art. Nr. 102-020401135 34 / 36
6.4. Wiring diagram control module STM 22 DUO/RED
102-020110534

Related product manuals