EasyManua.ls Logo

Regency P33R-LP2 - Wiring Diagram; Electrical Connections Overview

Regency P33R-LP2
40 pages
Print Icon
To Next Page IconTo Next Page
To Next Page IconTo Next Page
To Previous Page IconTo Previous Page
To Previous Page IconTo Previous Page
Loading...
Regency P33R-2 Zero Clearance Rear Vent Direct Vent Gas Fireplace
26
INSTALLATION
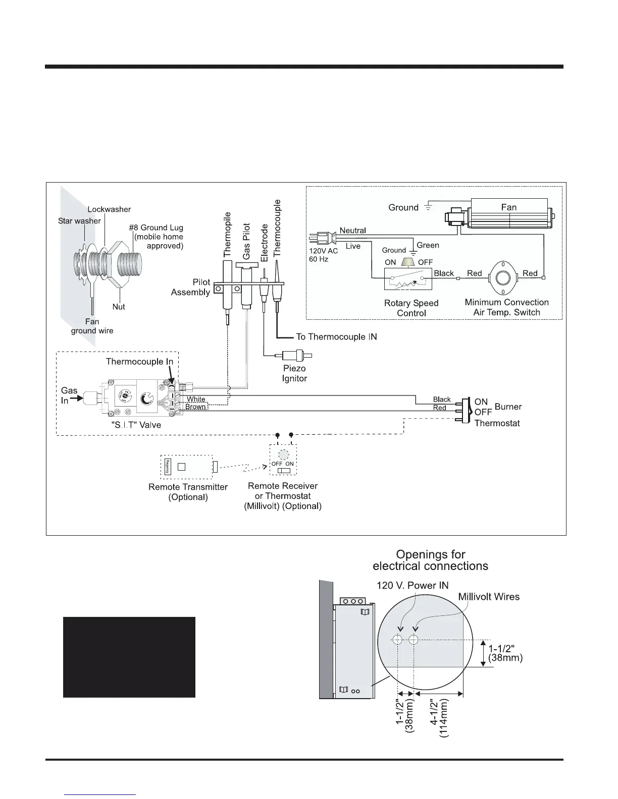
CAUTION: Label all wires
prior to disconnection
when servicing controls.
Wiring errors can cause
improper and dangerous
operation.
Caution: Ensure that the wires do
not touch any hot surfaces and are
away from sharp edges.
WIRING DIAGRAM
This heater does not require a 120V A.C. supply for operation. In case of a power failure, the burner switch and the optional remote control/thermostat
will continue to operate. However, a 120V A.C. power supply is needed for the fan/blower operation.
(Do not cut the ground terminal off under any circumstances.)
NOTE: Even if the fan is not purchased with the unit, it is still a good idea to bring power to the receptacle box (provided with
the unit) in case the fan is installed at a later date.

Table of Contents

Related product manuals