EasyManua.ls Logo

Regency P33R-LP2 - Main Assembly; Parts List; Replacement;Spare Parts List

Regency P33R-LP2
40 pages
Print Icon
To Next Page IconTo Next Page
To Next Page IconTo Next Page
To Previous Page IconTo Previous Page
To Previous Page IconTo Previous Page
Loading...
Regency P33R-2 Zero Clearance Rear Vent Direct Vent Gas Fireplace
33
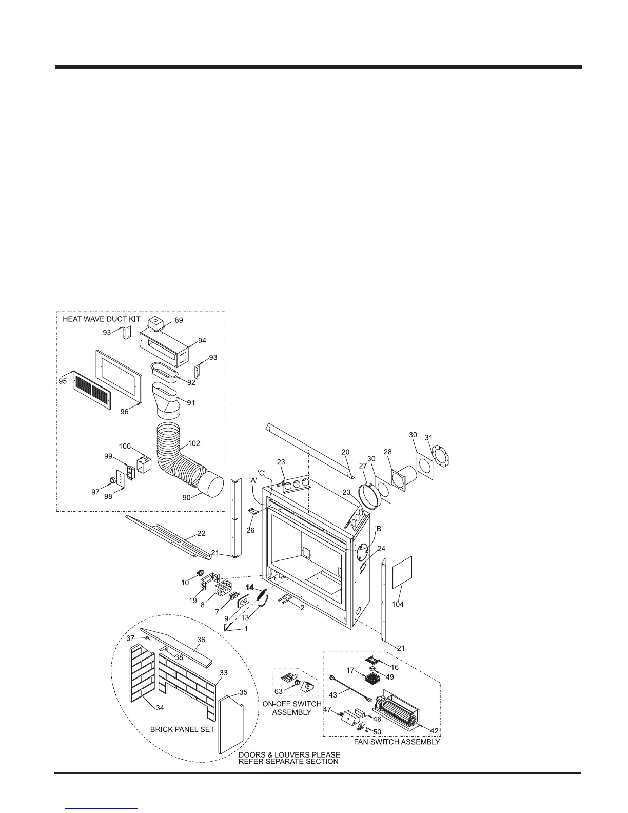
PARTS LIST
Main Assembly
Part # Description Part # Description Part # Description
1) 948-247 Door Handle
2) * Thermodisc Bracket
7) 910-428 Duplex Receptacle
8) 910-429 Box - Receptacle
9) 910-430 Cover - Receptacle
10) 904-687 Clamp Connector
13) 948-045 #12 Jack Chain
14) 948-115 Door Extension Spring
16) * Thermodisc Top
17) * Thermodisc Box Base
19) 430-129 Receptacle Box Mount
20) 430-031 Top Nailing Strip
21) 430-032 Side Nailing Strip
22) 430-010 Firebox Baffle
23) 430-001 Top Standoff
24) 510-010 Standoff - Side/Back
26) * Louver Hold Down
27) * Outer Flue Collar
28) * Inner Flue Collar Assembly
30) * Gasket - Flue Collar
31) * Flue Mounting Plate
432-928 Brick Panel Set -Standard
432-901 Brick Panel Set - Standard Brown
432-902 Brick Panel Set - Standard Red
432-903 Brick Panel Set - Herringbone Brown
432-904 Brick Panel Set - Herringbone Red
33) * Brick Panel - Rear
34) * Brick Panel - Left Side
35) * Brick Panel - Right Side
36) * Brick Panel - Top
37) 430-056 Brick Clip - Top
38) 430-057 Brick Clip - Bottom
432-917 Fan Assembly (120 Volts)
Optional
42) 910-331/PFan Motor (120 Volts)
432-966 Fan Switch Assy (120 Volts)
43) 910-813 Power Cord (120 Volts)
46) 910-330 Fan Speed Control
47) 904-586 Knob - Speed Control
49) 910-142 Thermodisc - Fan Auto ON/OFF
50) 904-713 U-Clip at Louver
432-967 Burner On/Off Switch Assy
63) 910-241 Switch - Burner On/Off
910-899 Wire Harness - Valve to Burner
946-556 Optional Heat Wave Duct Kit
89) 946-004 Junction Box
90) 946-000 Round Duct Adaptor
91) 946-002 Round to Oval Adaptor
92) 946-001 Oval Duct Adaptor
93) 946-007 Angle Bracket
94) 946-517/P Fan Assembly - HeatWave
Option
95) 946-006 Grill Plate - White
96) 946-005/01 Wall Adaptor Plate - White
97) 910-417 Knob - White
98) 910-366 Switch Cover Plate - White
99) 910-412 Fan Speed Controller
100) 910-367 Box - Plastic Switch
Receptacle
102) 946-010 Flexible Air Duct
946-038 Insulation 6" dia. x 24"
104) 690-022 Cover Plate
510-994 Dura-Vent Adaptor
918-063 Manual
431-969 Conversion Kit - NG to LP
*Not available as a replacement part.

Table of Contents

Related product manuals