EasyManua.ls Logo

REMEHA Sol Plus - Page 23

REMEHA Sol Plus
72 pages
Print Icon
To Next Page IconTo Next Page
To Next Page IconTo Next Page
To Previous Page IconTo Previous Page
To Previous Page IconTo Previous Page
Loading...
en
23
InstallationIndications, functions and optionsMessages Commissioning Operation and function
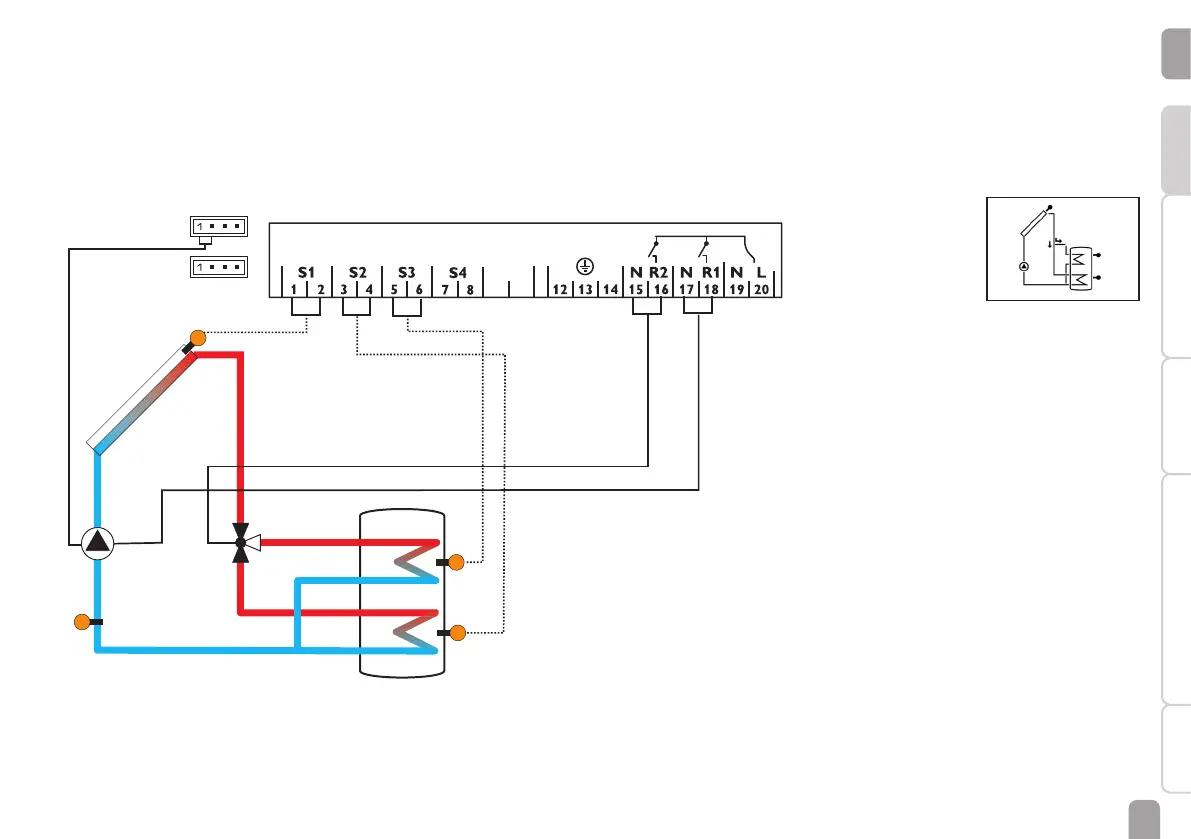
Arrangement 4: Solar system with store loading in layers
The controller calculates the temperature difference between collector sensor S1
and store sensors S2 and S3. If the difference is larger than or identical to the cor-
responding adjusted switch-on temperature differences (DT1O / DT2O), the solar
pump will be activated by relay 1, and the corresponding store zone will be loaded
until the switch-off temperature difference (DT1F / DT2F) or the maximum store
temperature (S1MX / S2MX) is reached. The priority logic causes priority loading
of the upper store zone, if possible. In that case, the 3-port valve will be operated
by relay 2.
If heat quantity measurement (OHQM) is activated, S4 is used as the return sensor.
9
10
VBus
PWM 1/2
ModBus
S2
R1
R2
S1
S4 / TR
S3

Related product manuals