EasyManua.ls Logo

Renac ESC5000-DS - 3 Introduction; Basic Features

Default Icon
46 pages
Print Icon
To Next Page IconTo Next Page
To Next Page IconTo Next Page
To Previous Page IconTo Previous Page
To Previous Page IconTo Previous Page
Loading...
6
3. Introduction
3.1 Basic features
The ESC-hybrid inverter can store the energy in the battery for self-use and also can convert the
DC current of the PV generator into AC current for on grid or off grid usage.
ESC-hybrid inverter with EPS can supply the energy from battery and PV generator when the
grid is lost.
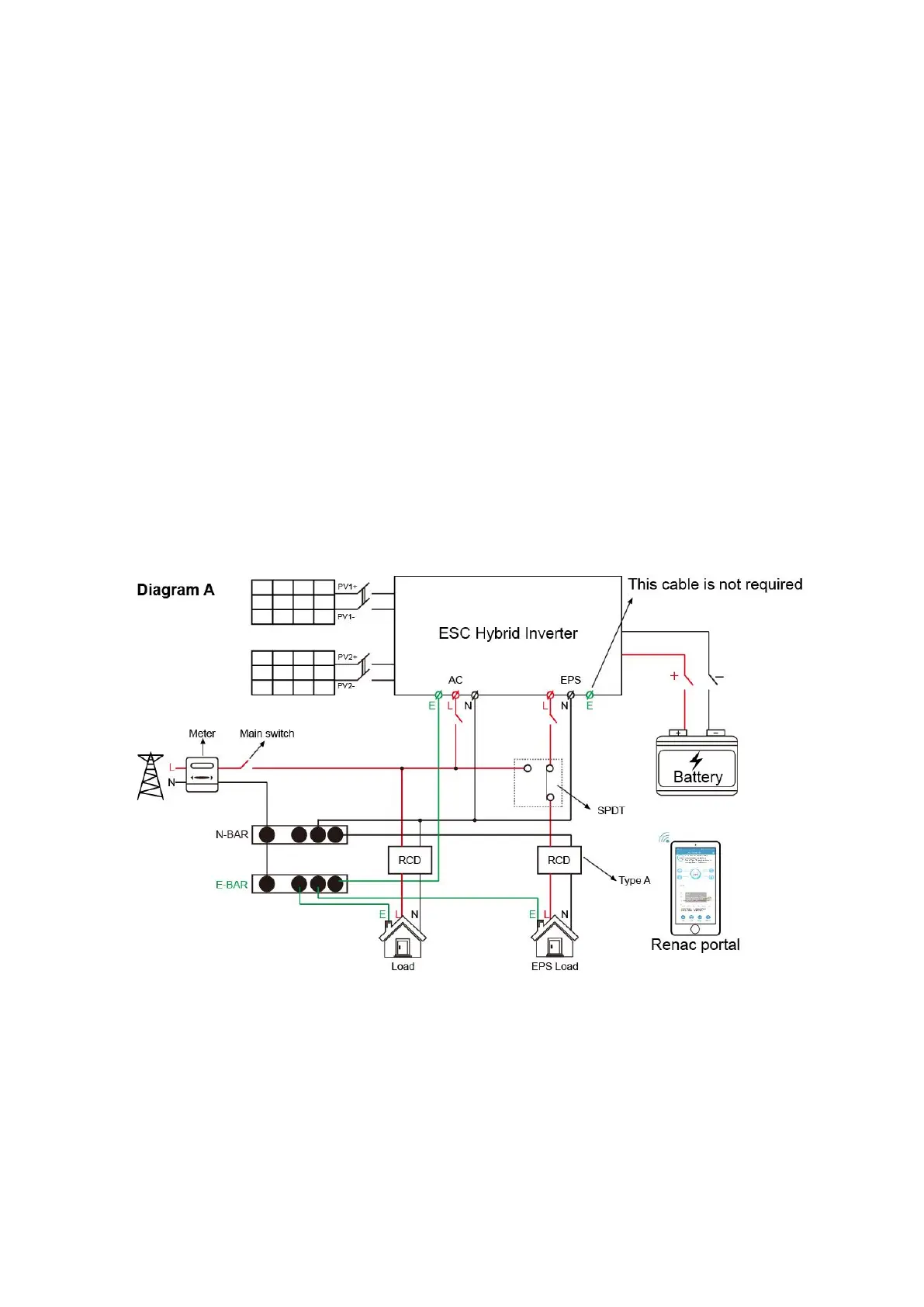
The below diagram are for reference based on different local wiring rules.
Diagram A : Neutral line of alternative supply must not be isolated or switched. applies to the
wiring rules that requires Neutral line of alternative supply must NOT be isolated or switched
(applies to wiring rules AS/NZS_3000:2012 for Australia and New Zealand).
Diagram B: Neutral line of alternative supply can be isolated or switched. applies to the wiring
rules that requires the Live line and Neutral line of EPS must be disconnected with the Live line
and Neutral line of grid. (applies to most countires)

Related product manuals