EasyManua.ls Logo

Renesas RH850/D1x - Page 28

Renesas RH850/D1x
37 pages
To Next Page IconTo Next Page
To Next Page IconTo Next Page
To Previous Page IconTo Previous Page
To Previous Page IconTo Previous Page
Loading...
1
1
2
2
3
3
4
4
5
5
A A
B B
C C
D D
Title
Size Document Number Rev
Date: Sheet of
261001001 1.0
RH850 D1M1A Adapter Board
A2
2 8Friday, June 02, 2017
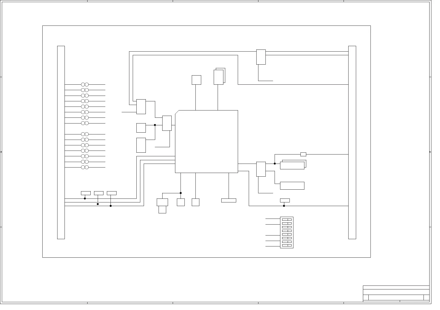
BLOCK(adapter)
CN1 CN2
NAND x1
MUX x1
LVDS x1
VIDEO x2
REG0VCC
REG1VCC
OSCVCC
SFVCC
A0VCC
EVCC
RVCC
ZPDVCC
ISMVCC
MVCC
B0VCC
B1VCC
B2VCC
B3VCC
B4VCC
32.768Khz8Mhz
P42
SERIAL
FLASH x1
BNC
DSW
P43-45
CONTROL2
CONTROL1
CONTROL2
P16,17
TP
TP TP TP
P1-3
JP3,P10,11
JP0,P0
VI
ETHER
GPIO/VO
GPIO
GPIO
GPIO
GPIO/JTAG
MUX x1
CONTROL1
R
MUX x1
CONTROL6
CONTROL6
CONTROL7
CONTROL8
SDRA
SERIAL
FLASH x1
P21
SDR x2
MUX x2
CONTROL7,8
GPIO
CN20

Other manuals for Renesas RH850/D1x

Related product manuals