EasyManua.ls Logo

Reznor UEZ - Page 21

Reznor UEZ
64 pages
Print Icon
To Next Page IconTo Next Page
To Next Page IconTo Next Page
To Previous Page IconTo Previous Page
To Previous Page IconTo Previous Page
Loading...
21
UEZ-IOM (07-23) 1034347-I
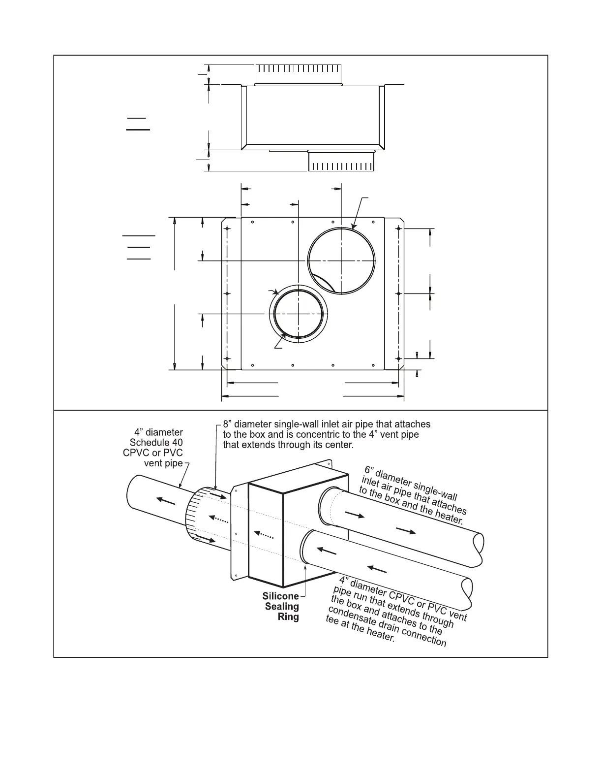
Figure 12. Concentric Adapter Box Dimensions and Connections
1-7/8”
(48mm)
6-3/16”
(157mm)
2”
(51mm)
9-11/32” (237mm)
5-11/23”
(136mm)
8” diameter Collar for
Combustion Air Pipe
6” diameter Collar for
Combustion Air Pipe
6” diameter Collar for
Combustion Air Pipe
14-3/8”
(365mm)
4-3/32”
(104mm)
5-9/32”
(134mm)
6-1/8”
(156mm)
6-1/8”
(156mm)
1-1/16” (27mm)
16” (406mm)
17” (432mm)
Opening for 4”
diameter Vent Pipe
Silicone
Ring
Top
View
Heater
Side
View

Table of Contents

Other manuals for Reznor UEZ

Related product manuals