EasyManua.ls Logo

Reznor VPS - Page 9

Reznor VPS
44 pages
Print Icon
To Next Page IconTo Next Page
To Next Page IconTo Next Page
To Previous Page IconTo Previous Page
To Previous Page IconTo Previous Page
Loading...
9
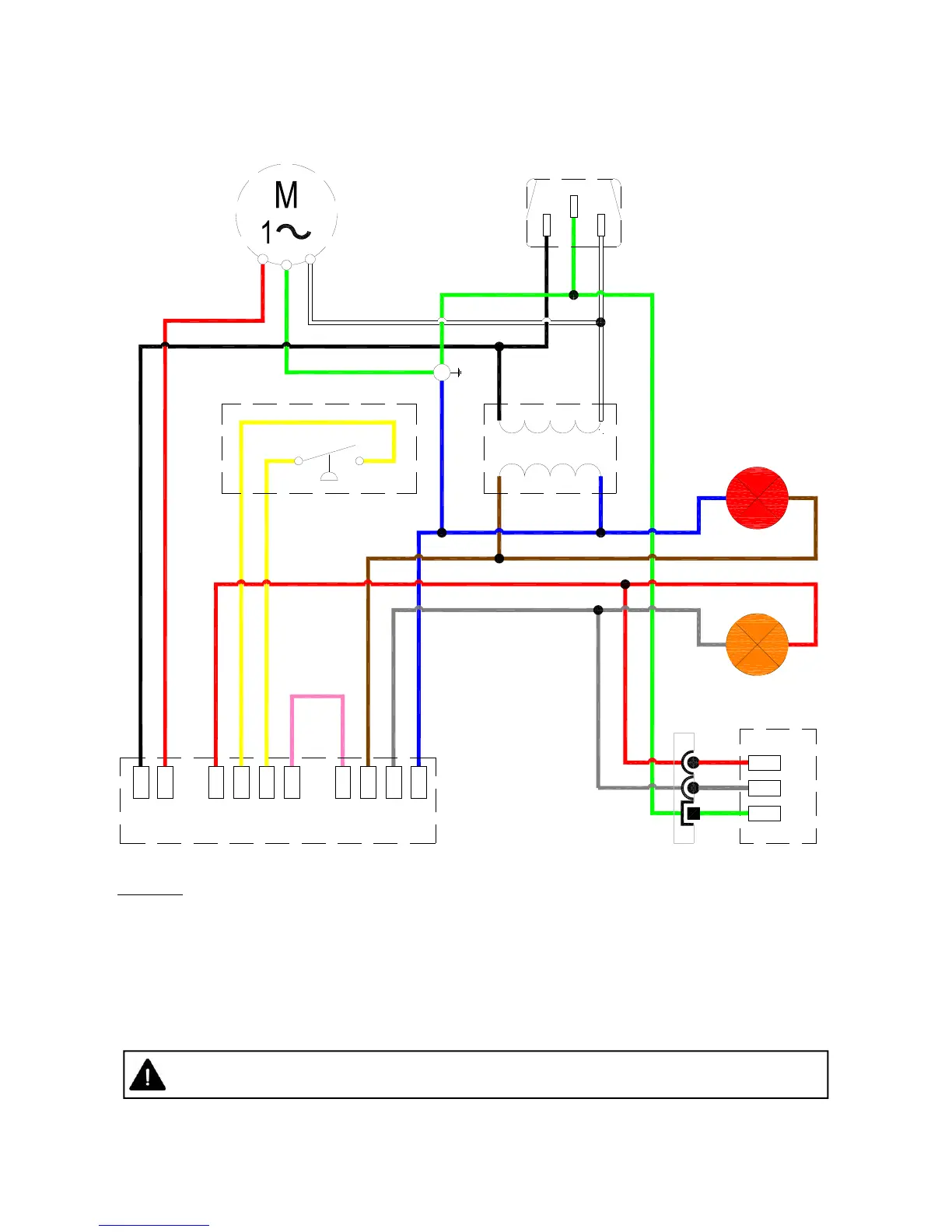
Figure 6. Internal Burner Wiring Diagram.
If any of the original wire as supplied with the appliance must be replaced, it must be replaced
with wiring material having a temperature rating of at least 220°F/105°C
LN
G
120V AC Fan
120V/60Hz AC
Supply
L1
Gas Control
MV
X
C
COM
W1
PS0
PS1
IND
R
Gas Valve
C
M
E
NOTES:-
Power On light is permanently illuminated when 120V / 60 Hz AC external supply is connected
to burner.
Additional wiring is required to install an optional extra thermostat and / or time clock.
If no thermostat is required then a jumper is fitted between terminals R and W1. In this
configuration the burner will continuously fire until the 120V power supply is disconnected.
Wire specification:- 18 AWG (1.0mm²), Tri-rated, 105°C
Pressure Switch
120v/24VAC 60Hz
Transformer
Power ON (red)
Burner ON (amber)
BK
R
Y
K
BR
GR
BL
KEY:
BL - BLUE
BK - BLACK
BR - BROWN
GR - GREY
G - GREEN
K - PINK
R - RED
W - WHITE
Y - YELLOW
K
Y
R
YY
R
W
G
BK
W
G
BL BR
RGR
R
GR
G
BR
BL
W
BK
G
E

Related product manuals