EasyManua.ls Logo

RIB R50 - Electrical Safety Devices; Maintenance; Electric Connections

RIB R50
13 pages
Print Icon
To Next Page IconTo Next Page
To Next Page IconTo Next Page
To Previous Page IconTo Previous Page
To Previous Page IconTo Previous Page
Loading...
27
27
G
B
ELECTRICAL SAFETY DEVICES
The installation must be installed according to the current regulations
and laws.
Use the T2 electronic control unit.
For connections and technical data of accessories refer to the
appropriate booklets.
MAINTENANCE
To be undertaken by specialized staff after disconnecting power
supply.
Clean the wheel contact surfaces carefully once a week.
Check wheel/ground pressure and condition of motor wheels every six
months.
The motor should be overhauled every two years and the oil replaced.
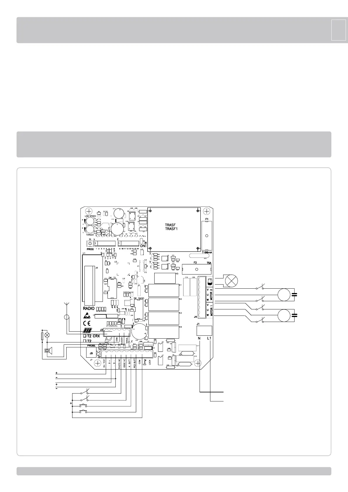
ELECTRIC CONNECTIONS
T2 code BC07086
T2 CRX code BC07085
+
+
-
-
+
AERIAL
COAX
R=2,2KΩ
SIGNAL
BUZZER
+
-
12Vdc for
AUTOTEST EDGE
12Vdc for
ACCESSORY
SUPPLY
PHOTOCELL
EDGE
K BUTTON
PED. BUTTON
COM
CAPACITOR M1
POWER SUPPLY
MOTOR 1
MOTOR 2
CAPACITOR M2
LSO2
LSO1
LSC1
LSC2
BLINKER
LSC1 - limit switch close M1
LSO1 - limit switch open M1
LSC2 - limit switch close M2
LSO2 - limit switch open M2

Other manuals for RIB R50

Related product manuals