EasyManua.ls Logo

Ricoh Pro 1107EX - Page 9

Ricoh Pro 1107EX
86 pages
Print Icon
To Next Page IconTo Next Page
To Next Page IconTo Next Page
To Previous Page IconTo Previous Page
To Previous Page IconTo Previous Page
Loading...
Print Controller Design Guide for Information Security
Page 9 of 86
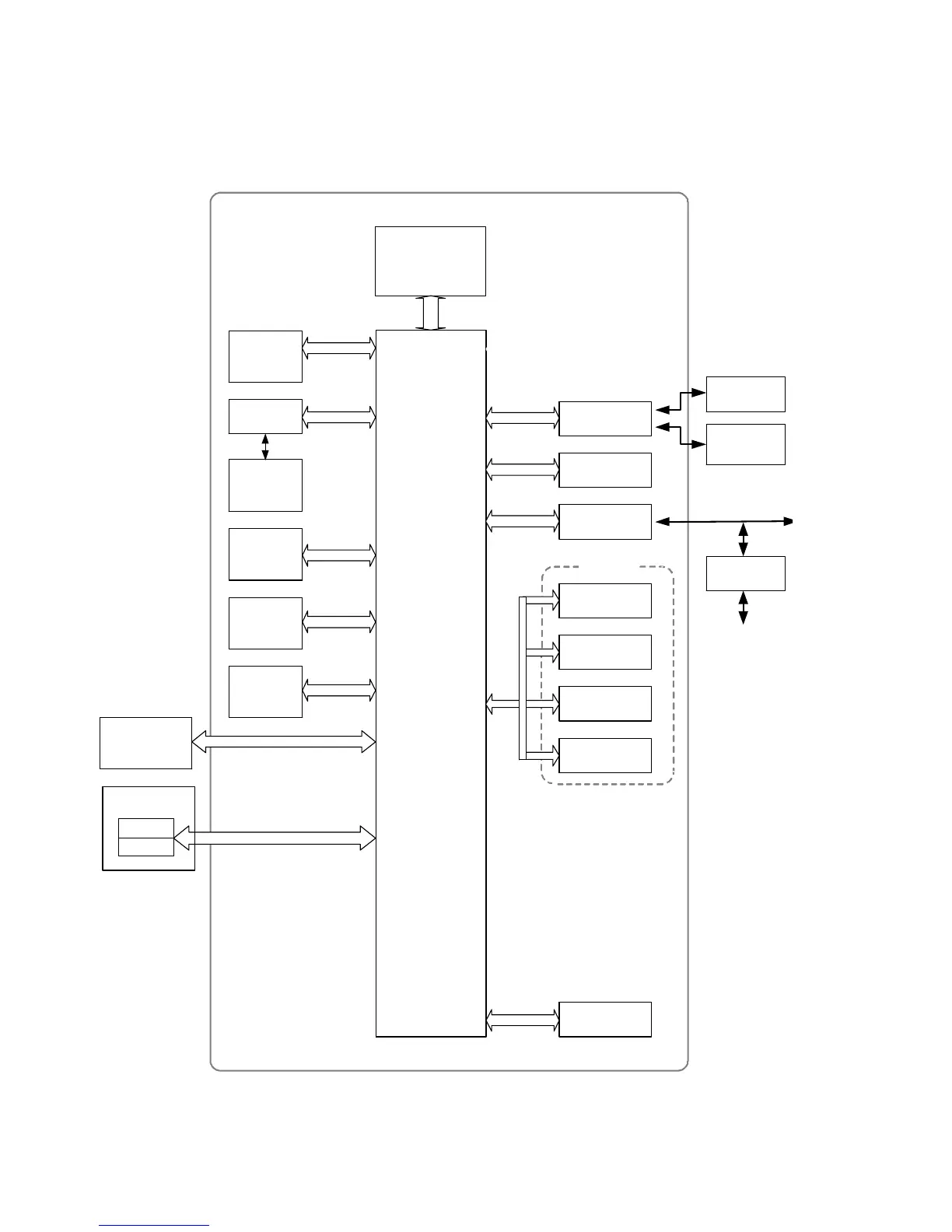
1-1-2 LP
Internet
System
Control
Flash ROM
Controller
Engine
Processing and
Control Unit
NVRAM
- Settings
- Counters
SD Card I/F
Ethernet
USB
TypeB
USB
TypeA
Parallel
Gigabit
Ethernet
Wireless
LAN
Bluetooth
IC Card Reader
Pict Bridge
Compatible
Device
RC Gate
TPM
Operation
Panel
Printing
Image
Processing
CPU
RAM
RAM
- Page memory
- Firmware
Encryption
Processor
HDD
- Image data
- Mgmt. data
Host I/F
Optional I/F:

Related product manuals