EasyManua.ls Logo

Riello Array AR 500 SE - Page 60

Riello Array AR 500 SE
84 pages
Print Icon
To Next Page IconTo Next Page
To Next Page IconTo Next Page
To Previous Page IconTo Previous Page
To Previous Page IconTo Previous Page
Loading...
60
RECYCLING AND DISPOSAL
60
APPENDIX
APPENDIX
9
WARNING: Domestic hot water and central heating circuits must be completed with expansion tanks of adequate capacity and suit-
ability, correctly-sized pressure relief valves. The discharge of pressure relief valves and appliances must be connected to a suitable
collection and disposal system.
9
CAUTION: The choice of system components and the method of their installation are left up to the heating engineer installing the
system. Installers must use their expertise to ensure proper installation and functioning in conformity to all applicable legislation.
9
CAUTION: Special supply/rell water must be conditioned using suitable treatment systems.
0
WARNING: It is prohibited to operate the boiler without water.
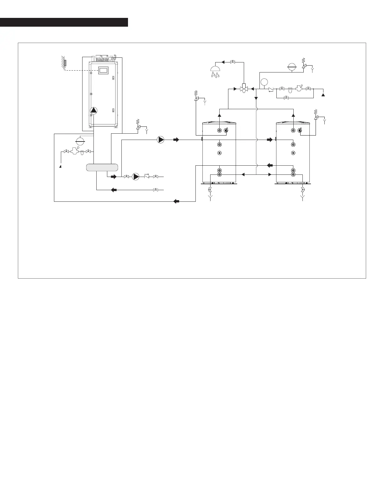
1 Isolating valve
2 Check valve
3 Anti-scald mixing valve
4 Expansion tank
5 Pressure relief valve
6 Drain
7 Water softener lter
8 Pressure reducer
9 Domestic water storage tank
10 Pump
11 High-temperature system circulator
12 Indirect tank circulator
OS Outdoor temperature
sensor
MI High temperature
system supply
RI High temperature
system return
EAF Domestic cold water
inlet
UAC Domestic hot water
outlet
Layout 6: circuit with boiler linked to 2 Indirect DHW tank and heating system via a separator
4
10
11
8 7
EAF
MI
2
11
RI
1
11
OS
12
1
UAC
3
1
9
5
6
EAF
4
M
2 7
8
1 1
1
5
6
6 6
1
9
5
6
5
6

Table of Contents

Related product manuals