EasyManua.ls Logo

Riello BAG3 MIX BASIC - BAG MIX CLIMA Wiring Diagram

Riello BAG3 MIX BASIC
Print Icon
To Next Page IconTo Next Page
To Next Page IconTo Next Page
To Previous Page IconTo Previous Page
To Previous Page IconTo Previous Page
Loading...
22
GENERAL
ENGLISH
9
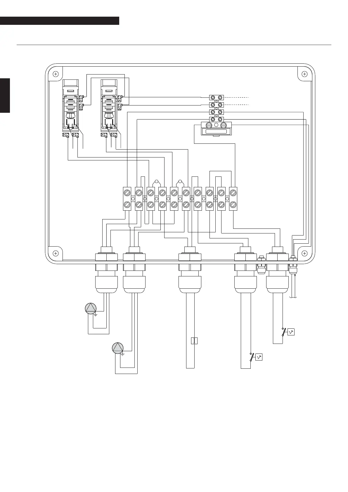
If the wiring or the board are replaced, observe and respect
all the connections of the cables according to the numbered
sequence shown in the gure.
1.9.2 BAG
3
MIX CLIMA wiring diagram
2
4
5
6
GI/VE
BL
MR
GI/VE
7
1
MR
GR
GR
RS
MR
GI/VE
GI/VE
GI/VE
GI/VE
BL
BL
BL
BL
BL
BL
BL
BL
MR
MR
RS
MR
MR
3
A2 GR
A1 BL
A2 RS
A1 BL
NE
NE
3/14 NE
4/11 NE
4/11 NE
3/14 NE
BL
MR
Fusibile 3.15A F
GI/VE
BL
GI/VE
MR
BL
BL
P3
P1
BL
MR
MR
RS
NE
GR
BL
RS
BL

Related product manuals