EasyManua.ls Logo

Riello BS1D - Electrical Wiring

Riello BS1D
36 pages
Print Icon
To Next Page IconTo Next Page
To Next Page IconTo Next Page
To Previous Page IconTo Previous Page
To Previous Page IconTo Previous Page
Loading...
20023724
8
GB
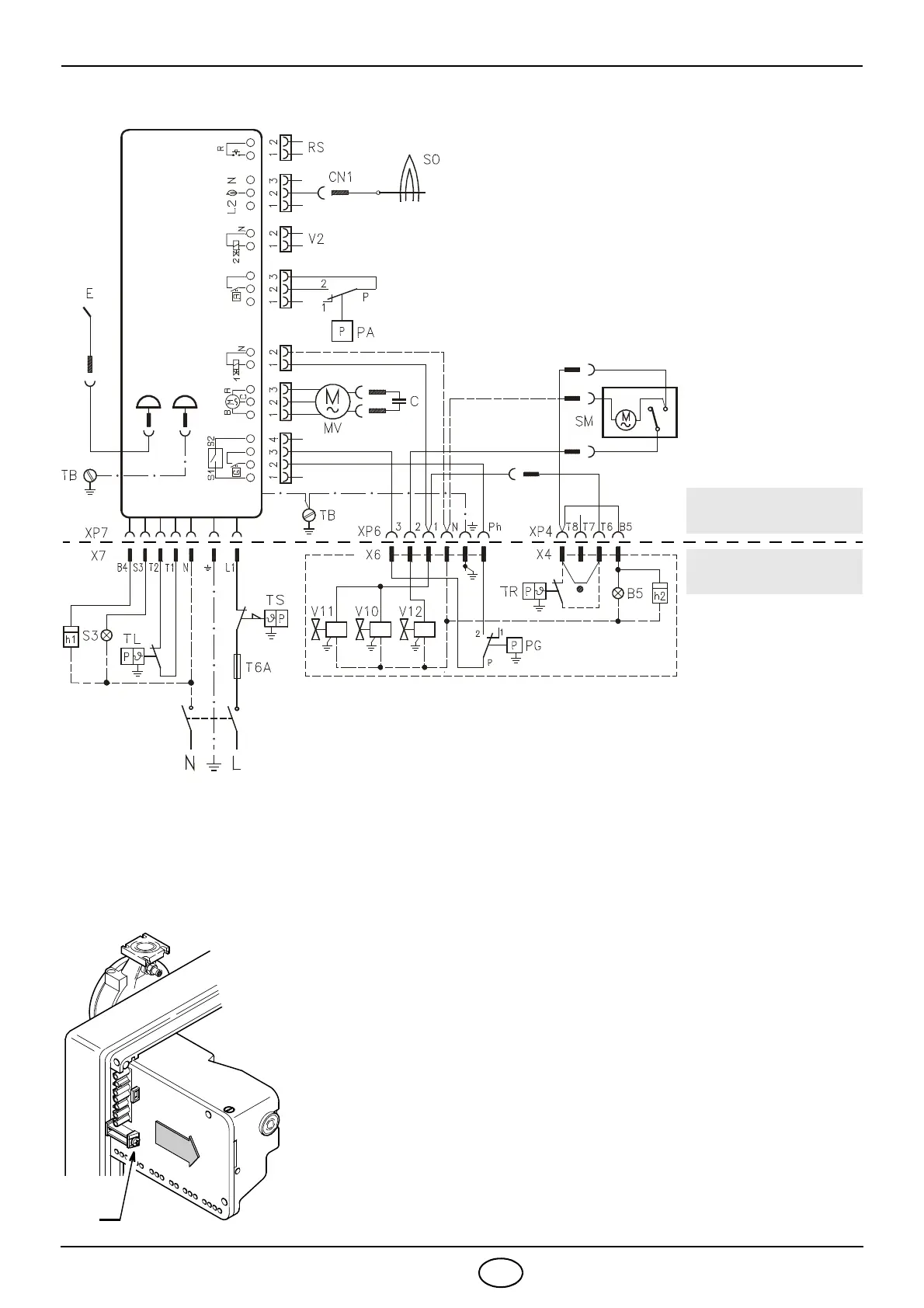
3.7 ELECTRICAL WIRING
230V ~ 50Hz
KEY TO LAY-OUT
B5 –2
nd
stage working signal
C Capacitor
CN1 Ionisation probe
connector
E Electrode
h.. –Hour counter
MV Motor
PA Min. air pressure switch
PG Min. gas pressure svitch
RS Remote reset
SM Servomotor air damper
SO Ionisation probe
MG569
CONTROL BOX
D4627
S3 Lock-out signal
(230V - 0.5A max.)
T6A –Fuse
TB Burner-earth
TL Limit thermostat
TR Adjustment thermostat
TS Safety thermostat
V10 Safety valve
V11 –1
st
valve
V12 –2
nd
valve
X.. –plug
XP.. socket
ATTENTION:
Do not swap neutral and phase over, follow the diagram shown care-
fully and carry out a good earth connection.
The section of the conductors must be at least 1mm
2
. (Unless requested
otherwise by local standards and legislation).
The electrical wiring carried out by the installer must be in compliance
with the rules in force in the country
Connect the 2nd stage thermostat (TR) to terminals T6 - T8 and remove
the bridge.
TESTING
Check the burner has stopped by opening the thermostats.
Check that the burner is blocked by opening the connector (CN1) inserted
in the probe red wire and located outside the control box.
CONTROL BOX, (see fig. 8)
To remove the control box from the burner it is necessary to:
disconnect all the connectors, the 7-pin plug, the high voltage cables and the
earth wire (TB);
unscrew the bolt (A, fig. 8) and pull the control box in the direction of the arrow.
To install the control box it is necessary to:
screw the bolt (A) in at a torque of 1 - 1.2 Nm;
reconnect all the connectors previously disconnected.
NOTES
The burners have been type-approved for intermittent operation. This means they
must stop at least once every 24 hours in order to allow the electrical control box
to check its efficiency on start-up. The boiler limit thermostat (TL) normally en-
sures the burner halts. If this does not happen a time switch halting the burner at
least once every 24 hours must be applied in series to limit thermostat (TL).
Main switch
Brown
Blue
Black
TO BE DONE BY
THE INSTALLER
CARRIED-OUT
IN THE FACTORY
A
Fig. 8
E9250

Other manuals for Riello BS1D

Related product manuals