EasyManua.ls Logo

Riello BS1D - 电气接线

Riello BS1D
36 pages
Print Icon
To Next Page IconTo Next Page
To Next Page IconTo Next Page
To Previous Page IconTo Previous Page
To Previous Page IconTo Previous Page
Loading...
20023724
8
CN
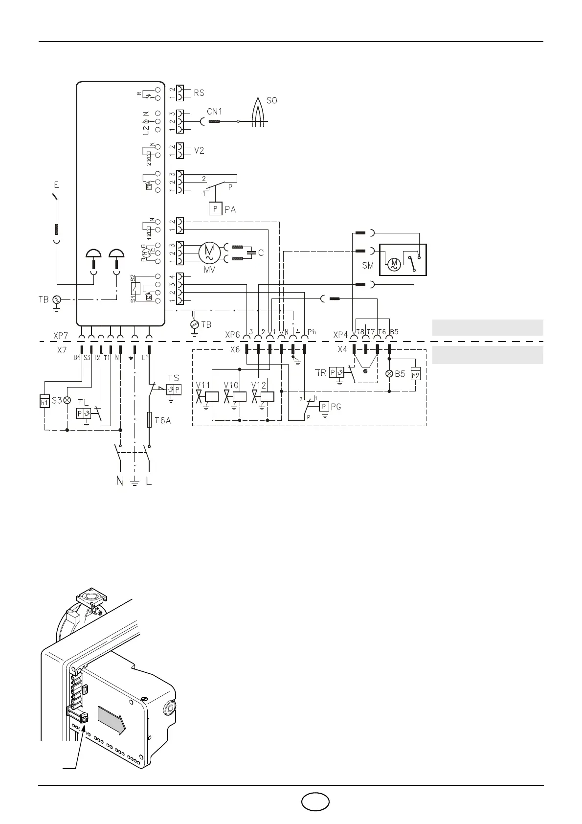
3.7 电气连接
230V ~ 50Hz
图例
B5 第二段工作信号
C 电容
CN1 离子探针接头
E 电极
h.. 计时器
MV 马达
PA 最小空气压力开关
PG 最小燃气压力开关
RS 远程复位
SM 风门伺服马达
SO 离子探针
D4627
S3 远程锁定信号
(230V - 0.5A max.)
T6A 保险丝
TB 燃烧器接地
TL 启动
温控器
TR 调节温控器
TS 安全温控器
V10 燃气安全阀
V11 1 段火调节阀
V12 2 段火调节阀
X.. 插头
XP.. 插座
注意 :
不要将零线与火线接反,按图所示确保燃烧器接地良好
最小电线截面积:1 mm
2
.
(
除非有当地的法规和标准
).
电线连接必须符合所在国家的强制规定
T6 T8 处拆下短接线,接上 2 级火温控器 .
测试
断开温控器开关,检查燃烧器是否停
断开连接插头 (CN1) 与控制盒的连接,检查燃烧器是否锁定
控制盒 , ( 见图 . 8)
从燃烧器上拆卸控制盒时,需按如下步骤:
断开所有连接头,7 针插头,高压电缆和接地电缆 (TB);
卸掉螺栓 A (A, . 8) 后沿箭头方向拉出控制盒。
安装控制盒时按如下步骤 :
用螺丝刀 1 – 1.2 Nm)紧上螺钉 (A)
重新连接所有被断开的插接头
注意:
燃烧器是间断运行,这意味着每 24 小时至少停机一次以便于控制盒进行启动自检
保证控制盒有效控制。 正常情况下锅炉启动温控器 (TL) 能保证燃烧器停机,如果失
效可以在启动温控器 (TL) 上加一个控时断路器来保证燃烧器每 24 小时至少停机一
次。 .
主电源开关
褐色
蓝色
黑色
安装方负责完成
工厂完成
A
. 8
E9250
MG569
控制盒

Other manuals for Riello BS1D

Related product manuals