EasyManua.ls Logo

Riello RS 190/E - Page 69

Riello RS 190/E
76 pages
Print Icon
To Next Page IconTo Next Page
To Next Page IconTo Next Page
To Previous Page IconTo Previous Page
To Previous Page IconTo Previous Page
Loading...
67
20068428
GB
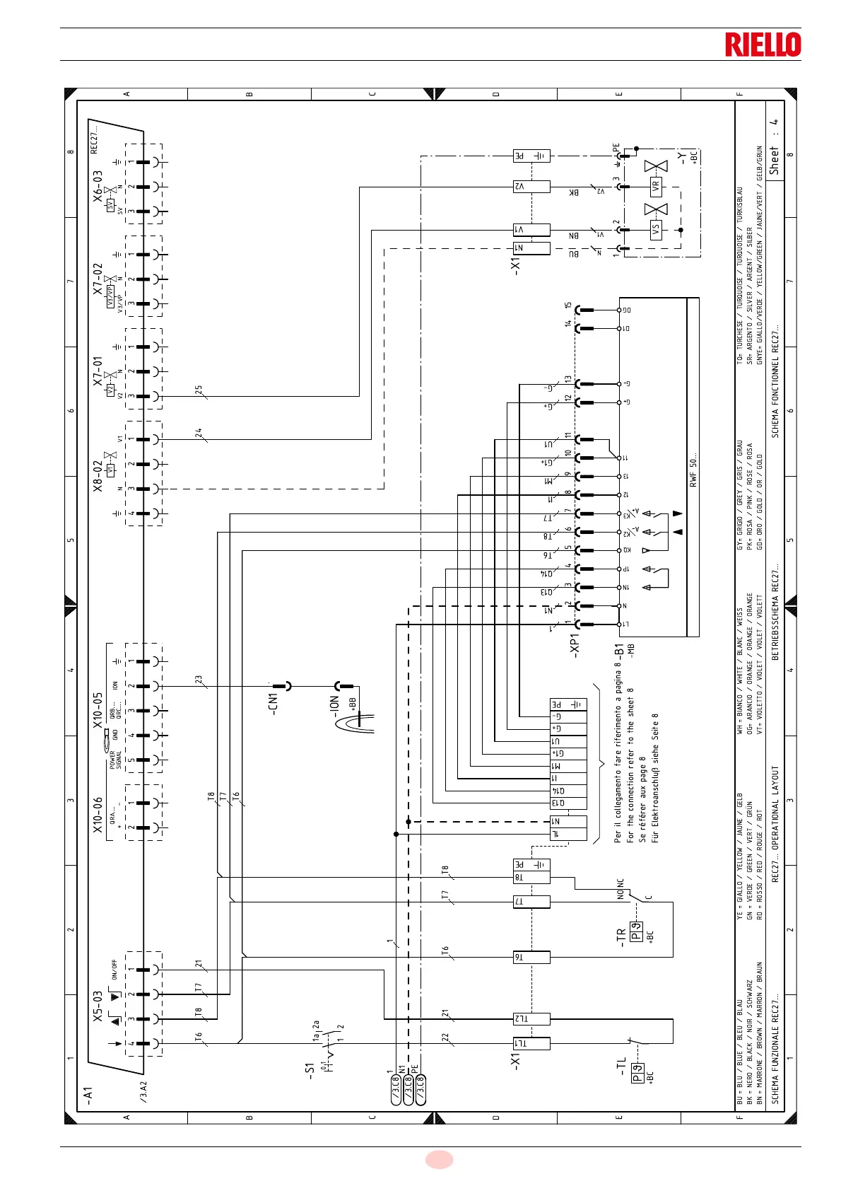
Appendix - Electrical panel layout



   












 !"#$$$ $$$"  !$$$  !$$$
%$

%$

%$
$$$
  
%$
&

'
'


&



 


&
 






()*+,**-'./,0'(()0()./,'1'-)/'
,(+,//+),/(0(,2
(303(('451'-
6(*7(,'/2+*482))





9
9

!
:&
"
:&
:


$
&

!
;$$$

9
9




!
<
:&


"

:&


:
  

"

= =
&

>
=
=

"?"%"%"%"
>?%>%% ;#
?:%;%@"%:
:?=%:%=%:A
?%%":%
; ?%; %%;
:?%:%:%:
=?=%=%=%=
:?::%:%:%:"
>?%>%%
:?%:%%:
9?" %"9"%"9"%">"
?:%=%:%
:?:%=%;%:%@"%=%:%:"?!%;%!%"
%
;9$$$$
:
9$$$$

= = =%= =
: 9$$$$
= = =%= =



>9

>
>



:&
:

:

&
=
=

Table of Contents

Related product manuals