EasyManua.ls Logo

Riello RS 300/E LN - A Appendix - Spare Parts

Riello RS 300/E LN
44 pages
Print Icon
To Next Page IconTo Next Page
To Next Page IconTo Next Page
To Previous Page IconTo Previous Page
To Previous Page IconTo Previous Page
Loading...
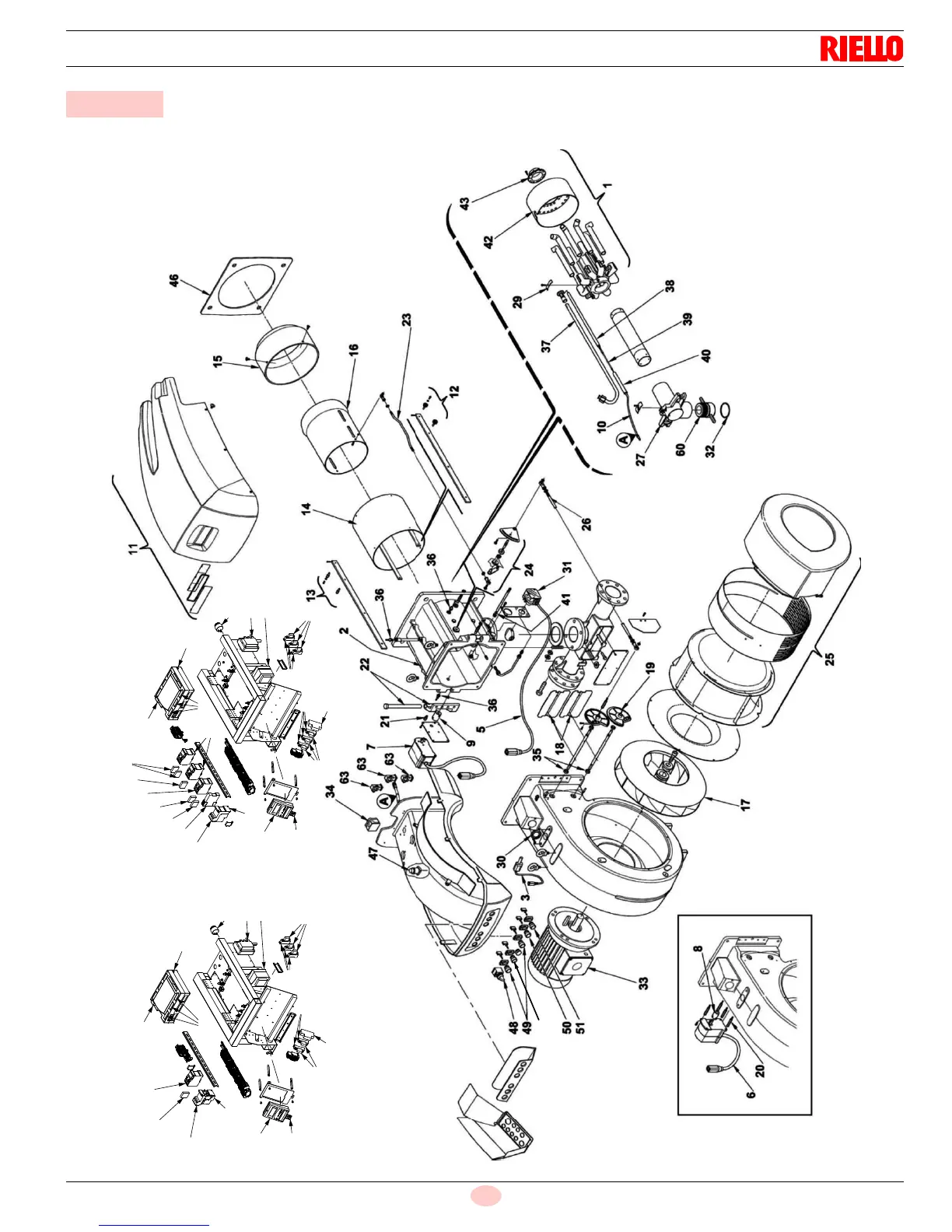
Appendix - Spare parts
20008423
35
GB
A Appendix - Spare parts
57
28
66
61
65
4
53
45
44
52
54
56
55
67
62
58
58
62
RS 300/E
28
66
61
65
4
53
45
44
52
54
56
55
67
62
58
58
62
59
55
64
68
64
RS 400−500/E

Table of Contents