EasyManua.ls Logo

Rigol DS4000 Series

Rigol DS4000 Series
32 pages
To Next Page IconTo Next Page
To Next Page IconTo Next Page
To Previous Page IconTo Previous Page
To Previous Page IconTo Previous Page
Loading...
Chapter 1 Disassemble and Assemble RIGOL
MSO4000/DS4000 Service Guide 1-11
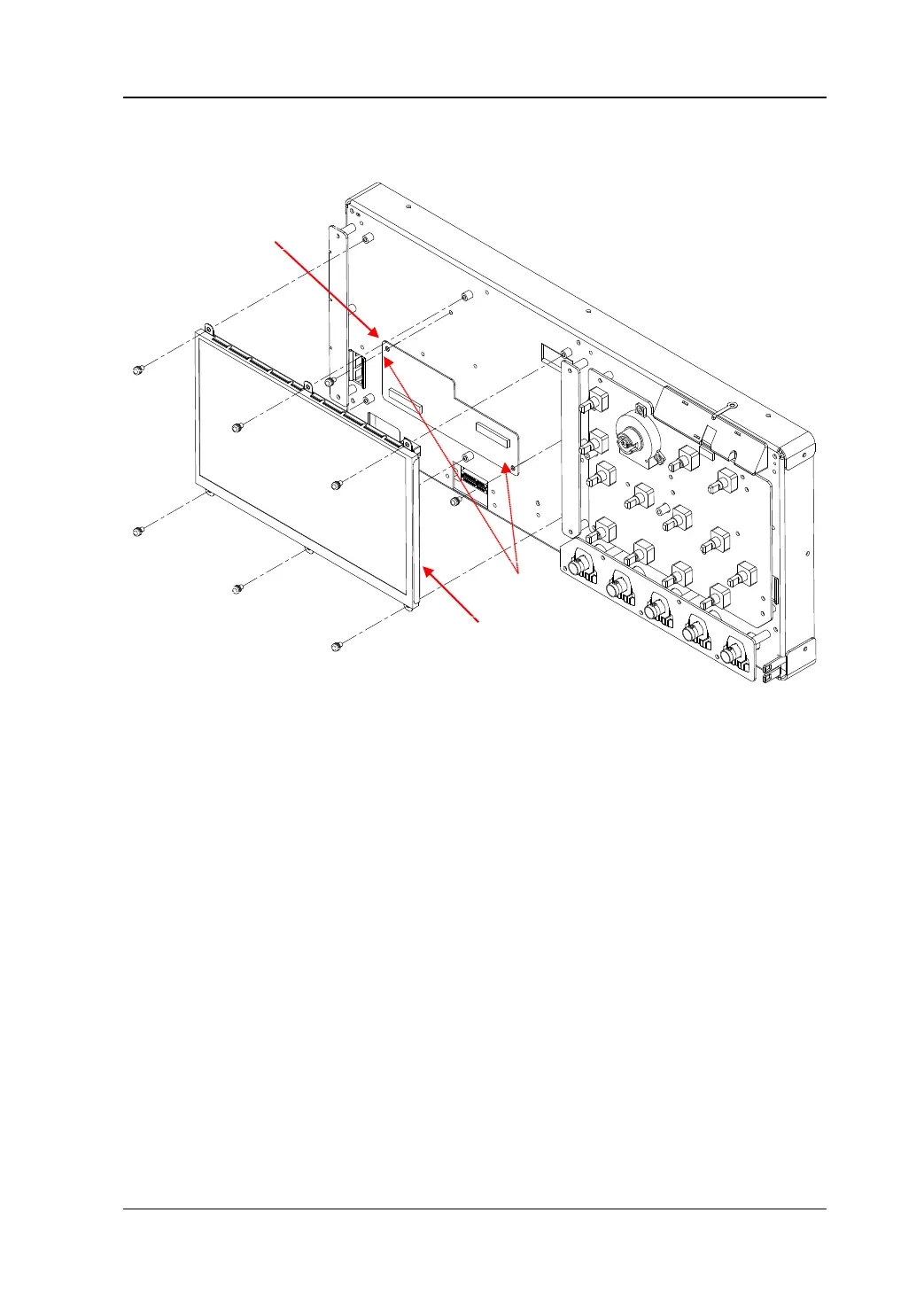
To Disassemble the LCD and Pinboard
Figure 1-7 To Disassemble the LCD and Pinboard
Part Explanations:
6 screws (torx pan head screw assembly #FW3*8) fixing the LCD.
2 screws (torx countersunk head screw #FM3*6) fixing the pinboard.
Disassemble Steps:
1. Remove the 6 screws () fixing the LCD using the screwdriver (T10).
2. Remove the screen line connected to the pinboard.
3. Remove the 2 screws () fixing the pinboard using the screwdriver (T10) and
remove the screen line connected to the main board.
LCD
Pinboard

Other manuals for Rigol DS4000 Series

Related product manuals