EasyManua.ls Logo

Rinnai Infinity 16e - Wiring Diagram

Rinnai Infinity 16e
36 pages
Print Icon
To Next Page IconTo Next Page
To Next Page IconTo Next Page
To Previous Page IconTo Previous Page
To Previous Page IconTo Previous Page
Loading...
33
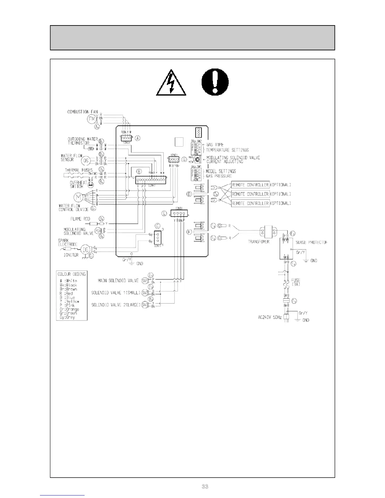
WIRING DIAGRAM

Related product manuals