EasyManua.ls Logo

RIX Industries MAN-2PS2B-N2 - Page 40

Default Icon
57 pages
Print Icon
To Next Page IconTo Next Page
To Next Page IconTo Next Page
To Previous Page IconTo Previous Page
To Previous Page IconTo Previous Page
Loading...
RIX Industries MAN-2PS2B-N2 Page 32
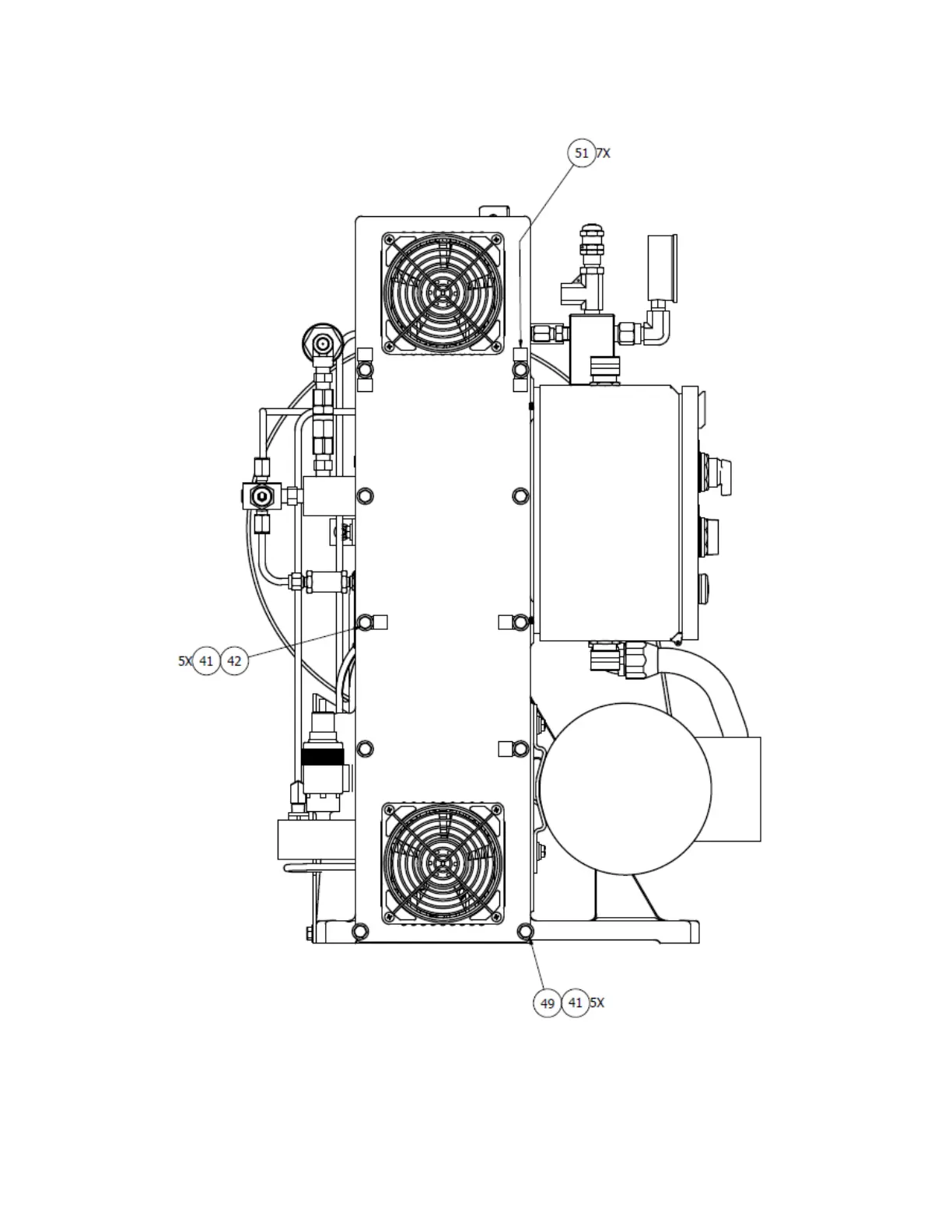
FIGURE 5: EXTERIOR FASTENER DETAIL