EasyManua.ls Logo

RIX Industries MAN-2PS2B-N2 - Page 50

Default Icon
57 pages
Print Icon
To Next Page IconTo Next Page
To Next Page IconTo Next Page
To Previous Page IconTo Previous Page
To Previous Page IconTo Previous Page
Loading...
RIX Industries MAN-2PS2B-N2 Page 42
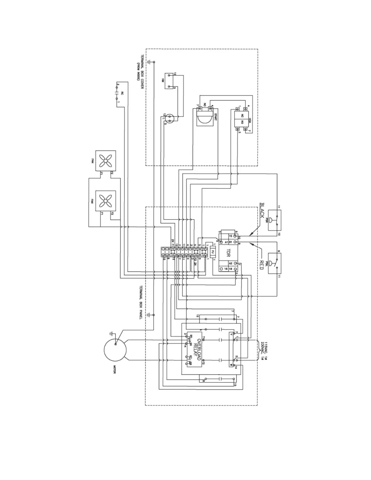
FIGURE 15: CONTROL BOX WIRING DIAGRAM