EasyManua.ls Logo

Rizzoli ST - Page 17

Default Icon
56 pages
Print Icon
To Next Page IconTo Next Page
To Next Page IconTo Next Page
To Previous Page IconTo Previous Page
To Previous Page IconTo Previous Page
Loading...
17
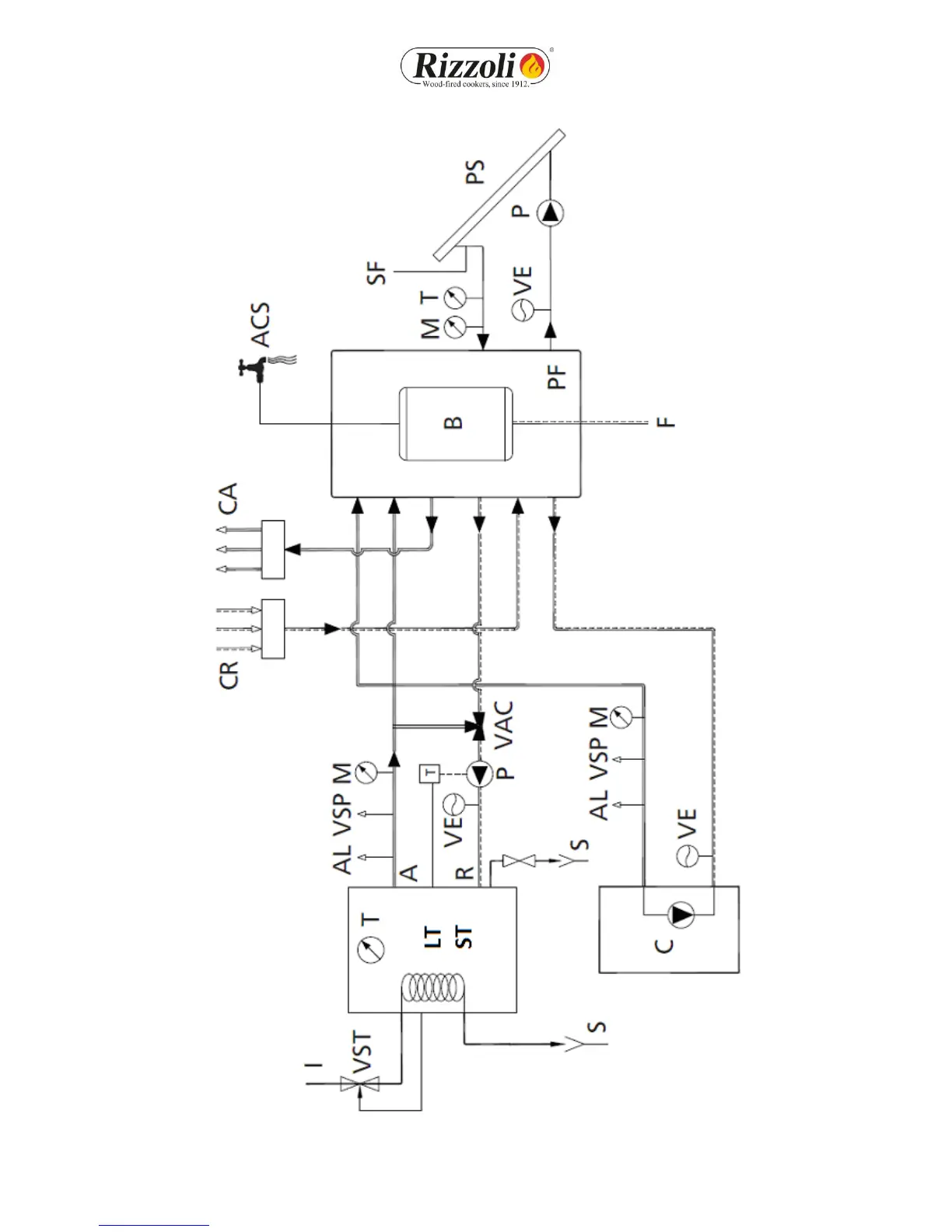
Picture 17 – Simplified schemes for the installing of a heating system with the thermal cooker LT 90 or ST 90 as heat generator.

Other manuals for Rizzoli ST

Related product manuals