EasyManua.ls Logo

Robin America EX21 - Ignition System Description

Robin America EX21
88 pages
Print Icon
To Next Page IconTo Next Page
To Next Page IconTo Next Page
To Previous Page IconTo Previous Page
To Previous Page IconTo Previous Page
Loading...
-
49
-
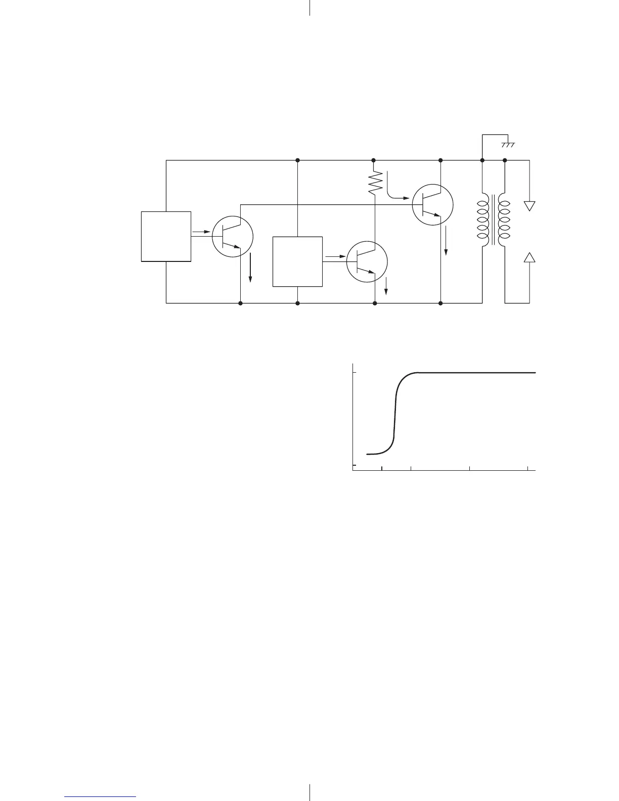
7-3 IGNITION SYSTEM (EX13 ,17, 21)
7-3-1 TYPE OF IGNITION SYSTEM
EX13, 17 and EX21 have the T.I.C. (Transister, Igniter, Circuit) pointless ignition system.
As optional parts, these ignition system may be implemented with lamp coil, charge coil and excitor coil.
LowSpeed
Ignition
Timing
Control Circuit
Automatic
Advancing
Control
Circuit
I
3
I
4
I
5
I
6
I
2
I
1
Signal Transistor A
Signal Transistor B
Power Transistor
Primary Coil
Secondary Coil
Ignition Coil
Spark Plug
Resister
ELECTRONIC ADVANCING FLYWHEEL
MAGNETO SYSTEM
(B.T.D.C)
23
15
IGNITION TIMING
500 1000 2000 3000(r.p.m.)
STEP ADVANCING
ENGINE REVOLUTION
Fig. 7-1(a)
Fig. 7-1(b)
1) At lower speed of the engine
Rotation of the flywheel induces current I1,
as this current flows through the base terminal
of the power transister, it is activated and the
current I2 starts flowing.
As the engine reaches the ignition timing, the ignition timing control circuit for the lower engine speed is
activated and lets the current I
3 flow through the base terminal of the power transistor.
This generates the collector current I4 which will bypass the current I1 and abruptly shut off the current I2
because the power transistor is turned off.
This sudden current change generates a big voltage on the secondary side of the ignition coil and which
sparks the spark plug.
2) At the higher engine speed
Rotation of the flywheel generates the current I
1 as this current flows through the base terminal of the power
transistor, it is activated and the current I2 starts of flow.
As the engine reaches the ignition timing, the ignition timing control circuit for the higher engine speed is
activated and provides the base current I
5 to the power transistor. This current induces the collector current
I
6
and will bypass the current I
1
to shut down the current I
2
abruptly because the power transistor is turned off.
This sudden current change generates a big voltage on the secondary side of the ignition coil and which will
spark the spark plug.
The ignition timing control circuit for the higher engine speed is activated, sooner than the control circuit for
the lower speed and not activated when the engine speed is in a lower range.
7-3-2 BASIC THEORY
To ensure the easy startability of the engine, the
step advancing ignition timing system is
incorporated in the ignition coil. This system
enables the engine to have basically two different
ignition timings according to the engine speed.
Following are the explanation how the system works.

Table of Contents

Other manuals for Robin America EX21

Related product manuals