EasyManua.ls Logo

Robland X310 - Page 33

Default Icon
59 pages
Print Icon
To Next Page IconTo Next Page
To Next Page IconTo Next Page
To Previous Page IconTo Previous Page
To Previous Page IconTo Previous Page
Loading...
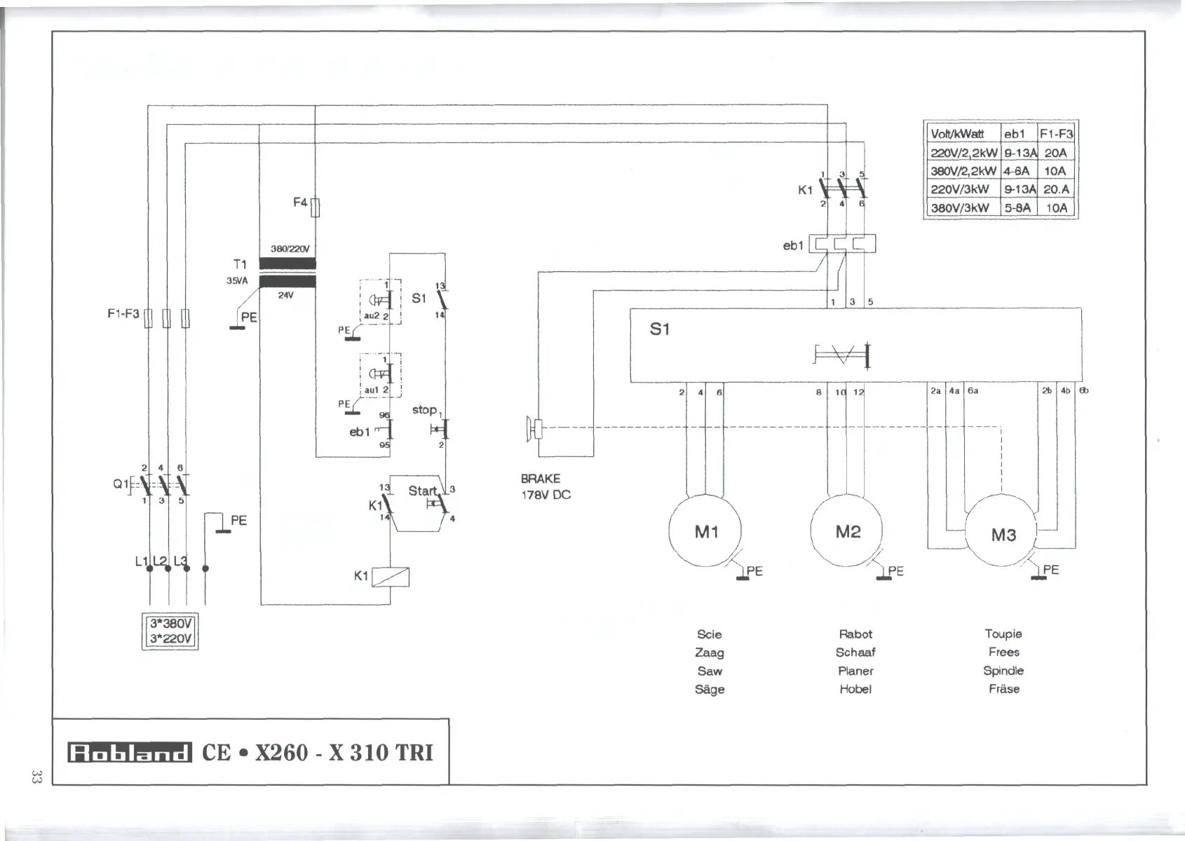
F1-F3
[]
[] []
l
p
^
L1
Q1
H
=3
i:
:
£
F4
T1
35VA
a
1
PE
380/220V
24V
[i
r
~i
!
OF
|au2
2
i
~
"l
'
aul
2
•^~.
eb1
"~
95
,
J
r
'
A
[l
S1
\
!
14
.._!
-1
i
..j
stop,
t*
2
FlotiliBfnd!
CE«X260-X310TRI
S1
BRAKE
178V
DC
Scie
Zaag
Saw
Sage
Votl/kWatt
220V/2,2kW
380V/2,2kW
220V/3kW
380V/3kW
'ebl
9-13A
4-6A
9-1
3A
5-8A
F1-F3
20A
10A
20.A
10A
eb1
12
M2 )
/:/'
—^E
Rabot
Schaaf
Planer
Hobel
1
ftj
M3
Toupie
Frees
Spindle
Frase

Related product manuals