EasyManua.ls Logo

Robland X310 - Page 36

Default Icon
59 pages
Print Icon
To Next Page IconTo Next Page
To Next Page IconTo Next Page
To Previous Page IconTo Previous Page
To Previous Page IconTo Previous Page
Loading...
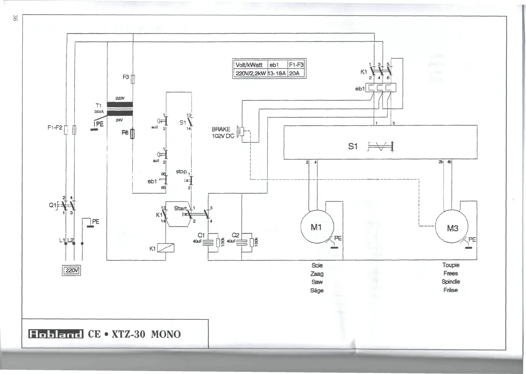
F1-F2
Cffl
Q1M
F3
220V
ffi
T1
35VA
24V
F6
IPE
[I
au1
13'
14;
95
95
13
V
14
\-
K1
/-^
stop,!
4
2|
[Volt/kWatt
220V/2.2KW
ebl
13-18A
F1-F3
20A
BRAKE
IJTL.
102V
DC
UV
!
I
01
40uFc=
C2
40uF=
2 4
S1
Scie
Zaag
Saw
Sage
2bi
4b
Toupie
Frees
Spindle
Frase
Robmnd
CE
XTZ-30
MONO

Related product manuals