EasyManua.ls Logo

Rotex GSU 320 - Gas Burner

Default Icon
48 pages
Print Icon
To Next Page IconTo Next Page
To Next Page IconTo Next Page
To Previous Page IconTo Previous Page
To Previous Page IconTo Previous Page
Loading...
2 x Product description
11
BA ROTEX GSU - 09/2007
2.3 Gas burner
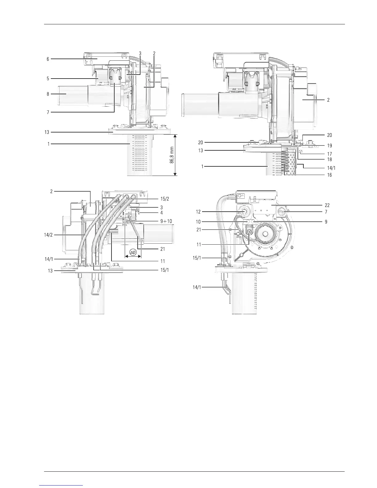
Figure 2-4 Gas burner of ROTEX GasSolarUnit - View from front
1 Burner surface
2 Fan
3 Safety gas control block
4 Gas/air compound controller
5 Gas solenoid valve (1 x Class B and 1 x Class C)
6 Automatic gas firing unit CVBC
7 Gas connection G ½" female
8 Venturi nozzle with air connection DN 50
9 Measurement connection IN - inlet gas pressure
10 Measurement connection OUT - outlet gas pressure
11 Set screw for gas/air mixture
12 Set screw for gas pressure controller (under cover cap)
13 Burner flange
14/1 Ionisation electrode
14/2 Ionisation cable
15/1 Ignition electrodes
15/2 Ignition cable
16 Flue insert
17 Burner flange seal (O-ring)
18 Flue seal (flat graphite seal)
19 Fan flange seal (flat silicon seal)
20 Clamp plates Never unfasten!
21 Air intake pressure hose
22 Cover with strain relief for burner cable and locking screw for automatic gas
firing unit
Figure 2-5 Gas burner of ROTEX GSU - View from rear Figure 2-6 Gas burner of ROTEX GSU - Side view from left

Related product manuals