EasyManua.ls Logo

Rotex GSU 320 - Page 44

Default Icon
48 pages
Print Icon
To Next Page IconTo Next Page
To Next Page IconTo Next Page
To Previous Page IconTo Previous Page
To Previous Page IconTo Previous Page
Loading...
7 x Technical Data
44
BA ROTEX GSU - 09/2007
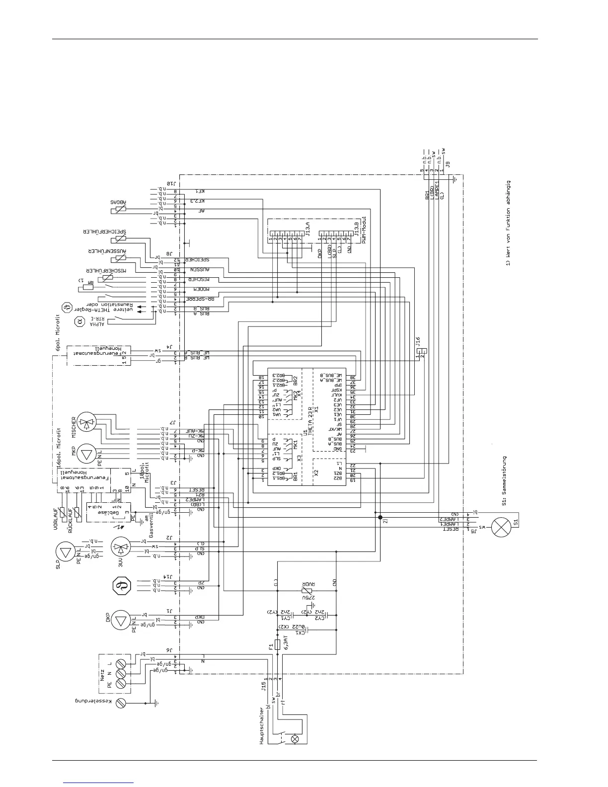
Circuit diagram
Connection cable colours
bl blue
br brown
ye yellow
gn green
gr grey
rd red
bl black
wt white
n.a. contact not assigned
Figure 7-14 Circuit diagram GasSolarUnit (shown on ROTEX Control THETA 23R)

Related product manuals