EasyManua.ls Logo

Ruffneck AH-12A - Motor Wiring Diagrams

Ruffneck AH-12A
36 pages
Print Icon
To Next Page IconTo Next Page
To Next Page IconTo Next Page
To Previous Page IconTo Previous Page
To Previous Page IconTo Previous Page
Loading...
8
Installation
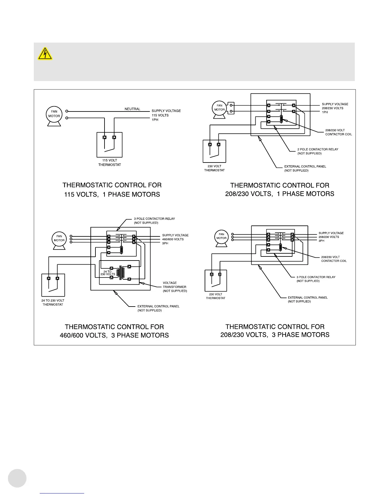
C.2 Motor Wiring Diagrams
CAUTION
CAUTION. Installation must be done by qualied
personnel, and comply with local electricalcodes.
For internal wiring of control devices and starters,
consult device manufacturer. The thermostat must have
an electrical rating equal to or exceeding the rating of the control
device. For wiring of the fan motor, refer to diagram on the
motor. These wires must be connected in series with the motor
controlcircuit.
MOTOR WIRING DIAGRAMS
CAUTION
Installation must be done by qualified personnel, and comply with local electrical codes.
For internal wiring of control devices and starters,
consult device manufacturer. The thermostat must have an electrical rating
equal to or exceeding the rating of the control device. For wiring of the fan motor, refer to diagram on
the motor. These wires must be connected in series with the motor control circuit.
FIGURE 7
- 6 -
MOTOR WIRING DIAGRAMS
CAUTION
Installation must be done by qualified personnel, and comply with local electrical codes.
For internal wiring of control devices and starters,
consult device manufacturer. The thermostat must have an electrical rating
equal to or exceeding the rating of the control device. For wiring of the fan motor, refer to diagram on
the motor. These wires must be connected in series with the motor control circuit.
FIGURE 7
- 6 -
MOTOR WIRING DIAGRAMS
CAUTION
Installation must be done by qualified personnel, and comply with local electrical codes.
For internal wiring of control devices and starters,
consult device manufacturer. The thermostat must have an electrical rating
equal to or exceeding the rating of the control device. For wiring of the fan motor, refer to diagram on
the motor. These wires must be connected in series with the motor control circuit.
FIGURE 7
- 6 -
MOTOR WIRING DIAGRAMS
CAUTION
Installation must be done by qualified personnel, and comply with local electrical codes.
For internal wiring of control devices and starters,
consult device manufacturer. The thermostat must have an electrical rating
equal to or exceeding the rating of the control device. For wiring of the fan motor, refer to diagram on
the motor. These wires must be connected in series with the motor control circuit.
FIGURE 7
- 6 -

Related product manuals