EasyManua.ls Logo

Ruggerini MD 190 E - Page 111

Default Icon
132 pages
Print Icon
To Next Page IconTo Next Page
To Next Page IconTo Next Page
To Previous Page IconTo Previous Page
To Previous Page IconTo Previous Page
Loading...
111
M Marrone
Marron
Brown
Braun
Marrón
Castanho
N Nero
Noir
Black
Schwarz
Negro
Preto
A Bianco
Blanc
White
Weiß
Blanco
Branco
V Verde
Vert
Green
Grün
Verde
Verde
R Rosso
Rouge
Red
Rot
Rojo
Vermelho
Colore
Couleur
Color
Farbe
Color
Cor
Colore x Sezione (mm²) - Couleur x Section (mm²) - Color x Section (mm²)
Farbe x Querschnitt (mm²) - Color x Sección (mm²) - Cor x Secção (mm²)
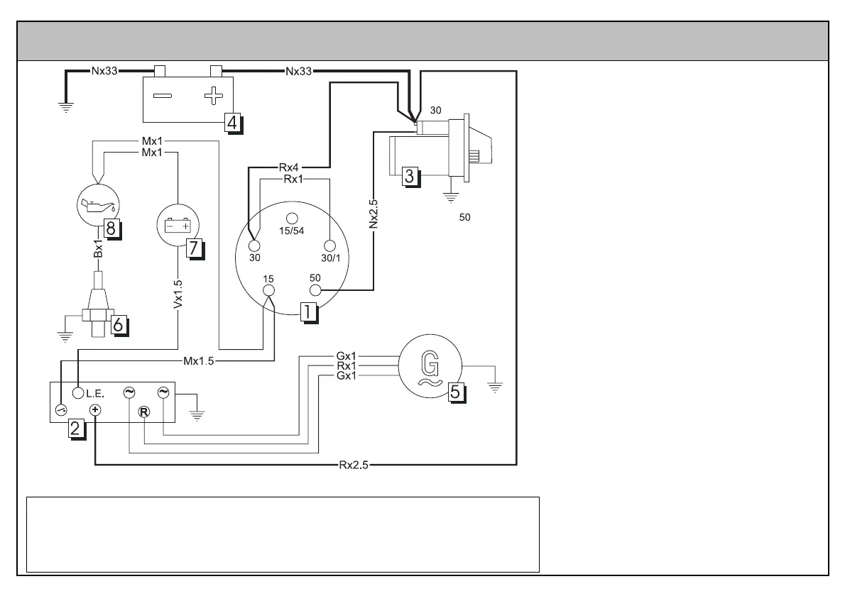
4
8
1
2
3
5
6
7
Chiave avviamento (opzionale)
Clé de contact (fournie sur demande)
Ignition key (optional)
Zündschlüssel (optional)
Llave de encendido (opcional)
Chave de arranque (opcional)
Regolatore di tensione
Régulateur de tension
Voltage regulator
Spannungsregler
Regulador de tensión
Regulador de tensão
Motorino avviamento
Démarreur
Engine starter
Zündmotor
Motor de arranque
Motor de arranque
Batteria (non fornita)
Batterie (non fournie)
Battery (not included)
Batterie (nicht mitgeliefert)
Batería (no suministrada)
Bateria (não fornecida)
Alternatore
Alternateur
Alternator
Drehstromgenerator
Alternador
Alternador
Pressostato
Pressostat
Pressure switch
Druckwächter
Presostato
Pressostato
Spia insufficiente ricarica batteria (opzionale)
Voyant rechargement batterie insuffisant (fourni sur demande)
Battery recharge warning light (optional)
Leuchtanzeige für nicht ausreichende Batterieladung (optional)
Testigo de recarga insuficiente de la batería (opcional)
Indicador luminoso de carga insuficiente da bateria (opcional)
Spia insufficiente pressione olio (opzionale)
Voyant pression huile insuffisante (sur demande)
Oil pressure warning light (optional)
Leuchtanzeige für nicht ausreichenden Öldruck (optional)
Testigo de presión de aceite insuficiente (opcional)
Indicador luminoso de pressão de óleo insuficiente (opcional)
2) Alternatore esterno - Alternateur exterieur - External alternator - Alternador externo - Äusserer generator - Alternador externo

Table of Contents

Related product manuals