EasyManua.ls Logo

Ruud UIWH07AVFJ - Refrigerant Circuit; Model: UOMH24 AFXZJ

Ruud UIWH07AVFJ
217 pages
Print Icon
To Next Page IconTo Next Page
To Next Page IconTo Next Page
To Previous Page IconTo Previous Page
To Previous Page IconTo Previous Page
Loading...
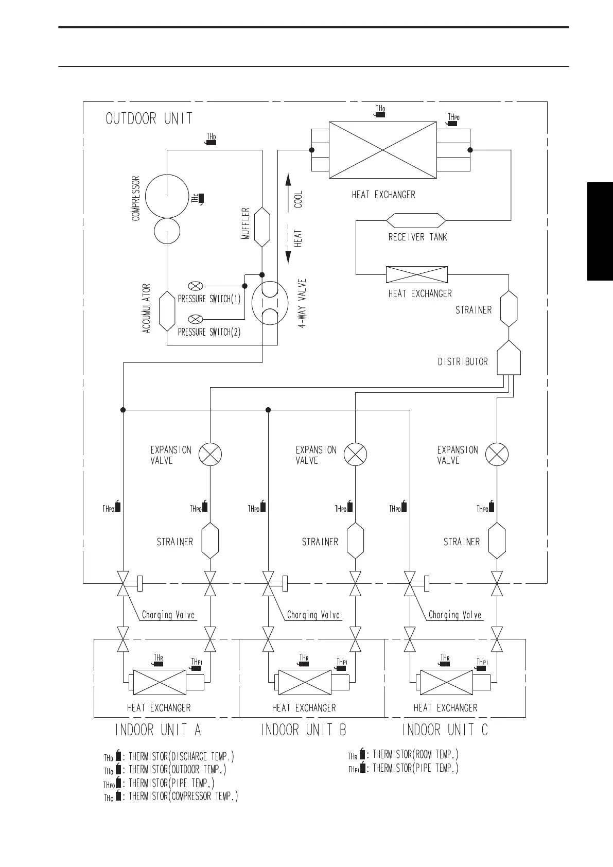
4. Refrigerant circuit
4-1. Model: UOMH24AFXZJ
- 113 -
OUTDOOR UNIT
UOMH24AFXZJ

Table of Contents