EasyManua.ls Logo

Ruud UIWH07AVFJ - Wiring Diagram; Model: UOMH36 AFXZJ

Ruud UIWH07AVFJ
217 pages
Print Icon
To Next Page IconTo Next Page
To Next Page IconTo Next Page
To Previous Page IconTo Previous Page
To Previous Page IconTo Previous Page
Loading...
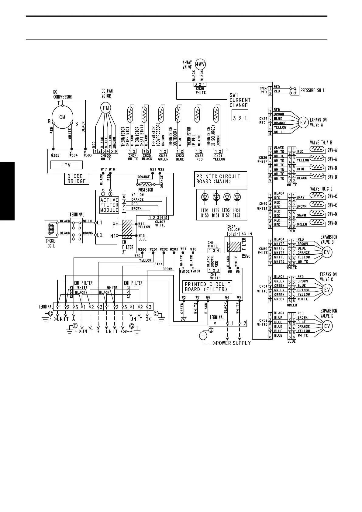
5. Wiring diagram
5-1. Model: UOMH36AFXZJ
DESIGN & TECHNICAL MANUAL
- 156 -
OUTDOOR UNIT
UOMH36AFXZJ

Table of Contents