EasyManua.ls Logo

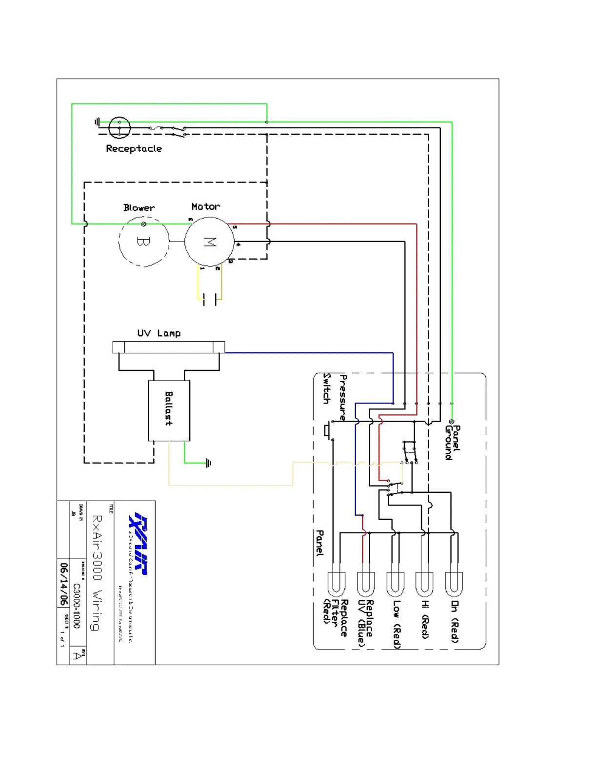
RXAIR RX3000 - 9 Electrical Circuit Diagram

RXAIR RX3000
25 pages
Print Icon
To Next Page IconTo Next Page
To Next Page IconTo Next Page
To Previous Page IconTo Previous Page
To Previous Page IconTo Previous Page
Loading...
RX3000 Manual & Operating Instructions 7/10
Page 23 of 25
9. Electrical Circuit Diagram