EasyManua.ls Logo

SA SA-033-M - Electrical Unit

SA SA-033-M
Print Icon
To Next Page IconTo Next Page
To Next Page IconTo Next Page
To Previous Page IconTo Previous Page
To Previous Page IconTo Previous Page
Loading...
22
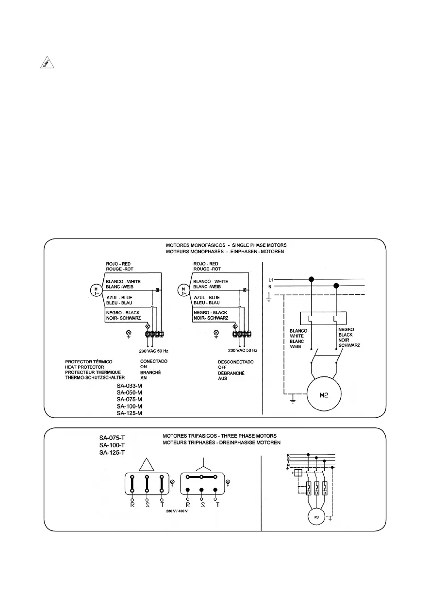
ELECTRICAL UNIT
The electrical unit should have a multiple separation system with contact opening
of at least 3 mm.
Connection to the mains can only be done using a rigid cable. In the event that a
exible cable is used this should have terminals to connect it to the pump motor
terminals.
A heat protector is incorporated into single-phase pumps. In these, switch
installation is sufcient as in the “Network connection” diagram
In the three-phase motor a motor guard with heat-magnetic protection needs to be
used.
A protection differential of 0.003 A is needed for any pump in order to protect from
electrical escapes (shown in diagrams).
Three-phase motors should be protected from overload by a safety switch for the
motor.
The heat relay regulation data for the single-phase motor are merely illustrative
since the motor comes with an incorporated protector.
CONEXIONES ELÉCTRICAS - ELECTRICAL CONNECTIONS
BRANCHEMENTS ELÉCTRIQUES - ELEKTRISCHE ANSCHLÜSSE