EasyManua.ls Logo

SA SA-033-M - Instalación Eléctrica

SA SA-033-M
Print Icon
To Next Page IconTo Next Page
To Next Page IconTo Next Page
To Previous Page IconTo Previous Page
To Previous Page IconTo Previous Page
Loading...
8
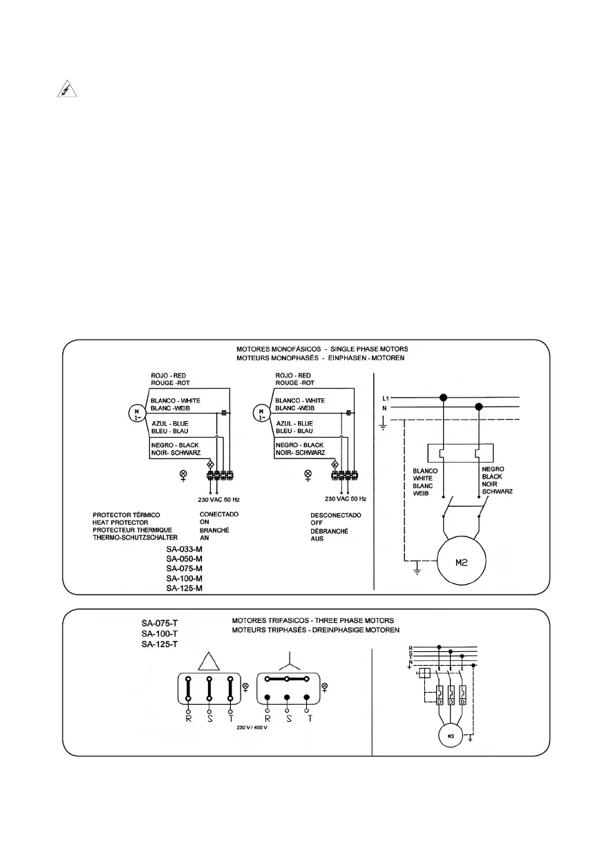
INSTALACIÓN ELÉCTRICA
La instalación eléctrica deberá de disponer de un sistema de separación múltiple
con apertura de contactos de al menos 3 mm.
Sólo se puede utilizar un cable rígido como conexión a red. En caso que se use
un cable exible para la conexión a la red, éste debe llevar terminales para su
conexión a los bornes del motor de la bomba.
Las bombas monofásicas disponen de protector térmico incorporado. En ellas es
suciente la instalación con interruptor según el esquema de “Conexiones a red”.
Para el motor trifásico utilizar necesariamente un guarda motor con protección
magneto térmica.
Con cualquier tipo de bomba es necesario colocar un protector diferencial de 0.03
A, para la protección de fugas eléctricas (indicado en los esquemas).
Las bombas trifásicas tienen que ir protegidas de sobrecarga con un interruptor de
seguridad para el motor.
Los datos de regulación del relé térmico para motor monofásico son meramente
ilustrativos, ya que el motor lleva un protector incorporado.
CONEXIONES ELÉCTRICAS - ELECTRICAL CONNECTIONS
BRANCHEMENTS ELÉCTRIQUES - ELEKTRISCHE ANSCHLÜSSE