EasyManua.ls Logo

SABROE ChillPAC - Page 44

SABROE ChillPAC
72 pages
Print Icon
To Next Page IconTo Next Page
To Next Page IconTo Next Page
To Previous Page IconTo Previous Page
To Previous Page IconTo Previous Page
Loading...
Operating manual - ChillPAC and LP ChillPAC Mk 3
44/68
010823 en 2021.06
Operating instructions
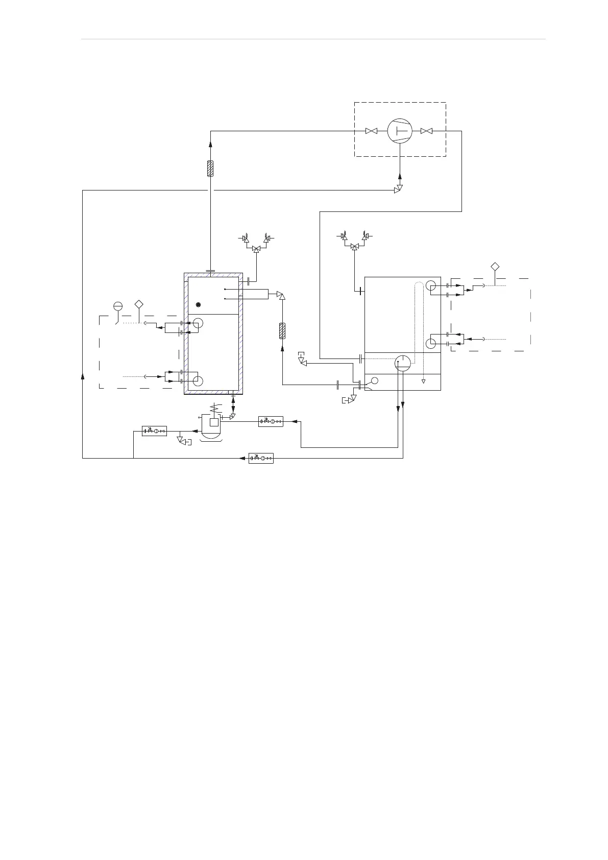
Fig. 22: P&I diagram for ChillPAC
NO
NC
F
F
409
TT
402
401
425
421
426
446
445
447
443
442
444
433
431
436
437
45
428
432
400

Table of Contents