EasyManua.ls Logo

Saftronics VG5 Series - Raking Onnection Iagrams; Braking Connection Diagrams; Braking Resistor Unit

Saftronics VG5 Series
115 pages
Print Icon
To Next Page IconTo Next Page
To Next Page IconTo Next Page
To Previous Page IconTo Previous Page
To Previous Page IconTo Previous Page
Loading...
VG5 Installation & Quick-Start Manual 107
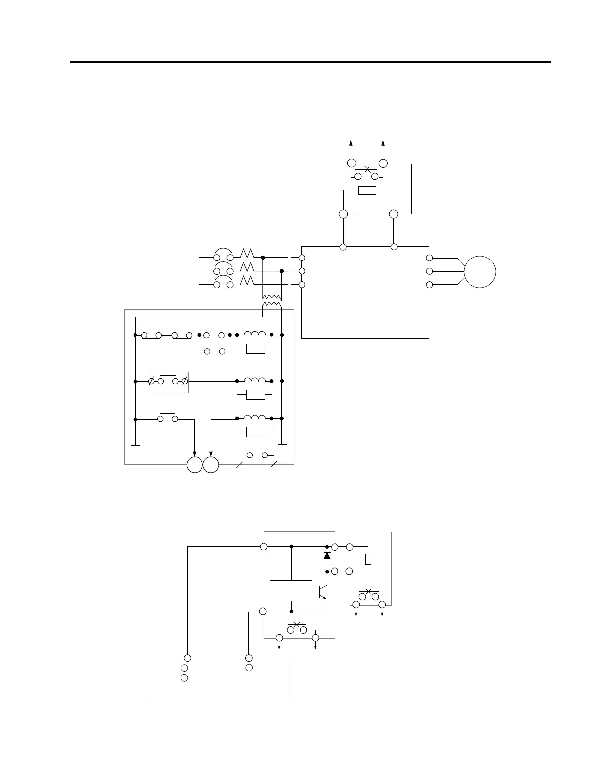
A.4 BRAKING CONNECTION DIAGRAMS ( CDBR Type)
Braking Resistor Unit
230V: VG5U20P4 to 27P5
460V: VG5U40P4 to 4015
P
B
1 2
Overload Relay Trip Contact
Braking Resistor Unit
Overload Relay Trip Contact
of Braking Resistor Unit
1 2
MC
Fault Contact
TRX
SA
TRX
THRX
SA
SA
MC
MC
THRX
ON
OFF
MA
MC
VS-616PC5
L1
L2
L3
T1
T2
T3
L1
L2
L3
MCCB
MC
B1
B2
M
Figure 24 External Control Circuit for VG5 Braking Resistor Connection
230V: VG5U2011 to 2075
Figure 25 External Control Circuit for VG5 Braking Unit Connection
Braking Unit
Braking Resistor
Level
P0
P
B
B
1
2
P
Unit
3
4
N
Detection
Overload Relay Trip Contact
-
+
3
3 & 4 output signal to
multi-function fault input.
460V: VG5U4018 to 4300
575V: VG5U51P5 to 5022
575V: VG5U5030 to 5160
+
(Use for G5U5030 to 5160)
1
Appendix
Braking Connection Diagrams
Artisan Technology Group - Quality Instrumentation ... Guaranteed | (888) 88-SOURCE | www.artisantg.com

Related product manuals