EasyManua.ls Logo

Saftronics VG5 Series - Main Circuit Diagrams

Saftronics VG5 Series
115 pages
Print Icon
To Next Page IconTo Next Page
To Next Page IconTo Next Page
To Previous Page IconTo Previous Page
To Previous Page IconTo Previous Page
Loading...
24 VG5 Installation & Quick-Start Manual
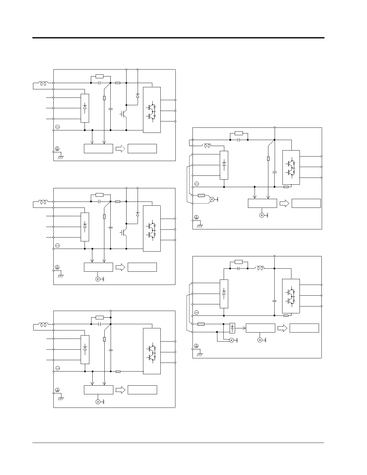
Main Circuit Diagrams (230V Class)
1
2
B1 B2
T1
T2
T3
L1
L2
L3
+
Power Supply
Control Circuit
(optional
reactor)
CIMR-VG5U20P4 to 21P5
1
2
B1 B2
T1
T2
T3
L1
L2
L3
+
Power Supply
Control Circuit
(optional
reactor)
CIMR-VG5U22P2 to 27P5
Cooling Fan
1
2
T1
T2
T3
L1
L2
L3
+
Power Supply
Control Circuit
(optional
reactor)
CIMR-VG5U2011 to 2015
Cooling Fan
3
T1
T2
T3
L1
L2
L3
3
+
r
s
CIMR-VG5U2018 to 2022
Power Supply
Control Circuit
Internal
Cooling Fan
Cooling Fan
1
2
T1
T2
T3
L1
L2
L3
3
+
r
s
CIMR-VG5U2030 to 2075
Power Supply
Control Circuit
Internal
Cooling Fan
Cooling Fan
Chapter 1 - Receiving & Installation
Wiring
Artisan Technology Group - Quality Instrumentation ... Guaranteed | (888) 88-SOURCE | www.artisantg.com

Related product manuals