EasyManua.ls Logo

Saftronics VG5 Series - Page 27

Saftronics VG5 Series
115 pages
Print Icon
To Next Page IconTo Next Page
To Next Page IconTo Next Page
To Previous Page IconTo Previous Page
To Previous Page IconTo Previous Page
Loading...
26 VG5 Installation & Quick-Start Manual
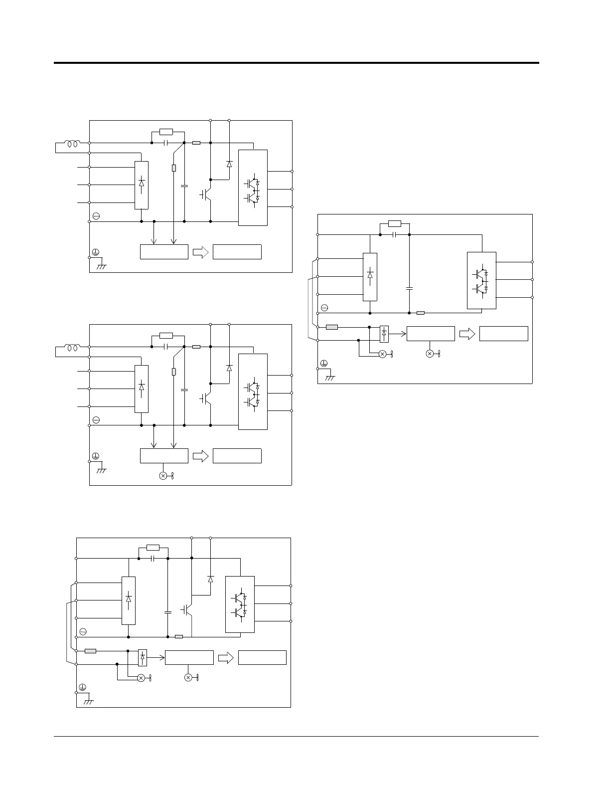
Main Circuit Diagrams (575V Class)
1
2
B1 B2
T1
T2
T3
L1
L2
L3
+
Power Supply
Control Circuit
(optional
reactor)
CIMR-VG5U51P5
1
2
B1 B2
T1
T2
T3
L1
L2
L3
+
Power Supply
Control Circuit
(optional
reactor)
CIMR-VG5U52P2 to 5015
Cooling Fan
CIMR-VG5U5030 to 5160
T1
T2
T3
L1
L2
L3
+
CIMR-VG5U5018 to 5022
Power Supply
Control Circuit
Internal
Cooling Fan
Cooling Fan
B1 B2
1
l
1
l
2
T1
T2
T3
L1
L2
L3
+
Power Supply
Control Circuit
Internal
Cooling FanCooling Fan
1
l
1
l
2
Chapter 1 - Receiving & Installation
Wiring
Artisan Technology Group - Quality Instrumentation ... Guaranteed | (888) 88-SOURCE | www.artisantg.com

Related product manuals