EasyManua.ls Logo

Samsung DA-E750 - KEY PCB Top

Samsung DA-E750
57 pages
Print Icon
To Next Page IconTo Next Page
To Next Page IconTo Next Page
To Previous Page IconTo Previous Page
To Previous Page IconTo Previous Page
Loading...
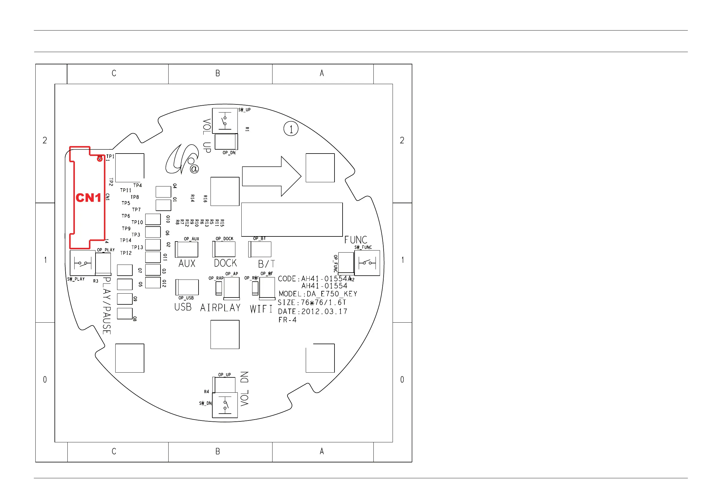
5.PCBDiagram
5.12.KEYPCBTop
CN1
Copyright©1995-2012SAMSUNG.Allrightsreserved.5-14

Other manuals for Samsung DA-E750

Related product manuals