EasyManua.ls Logo

Samsung DA-E750 - KEY

Samsung DA-E750
57 pages
Print Icon
To Next Page IconTo Next Page
To Next Page IconTo Next Page
To Previous Page IconTo Previous Page
To Previous Page IconTo Previous Page
Loading...
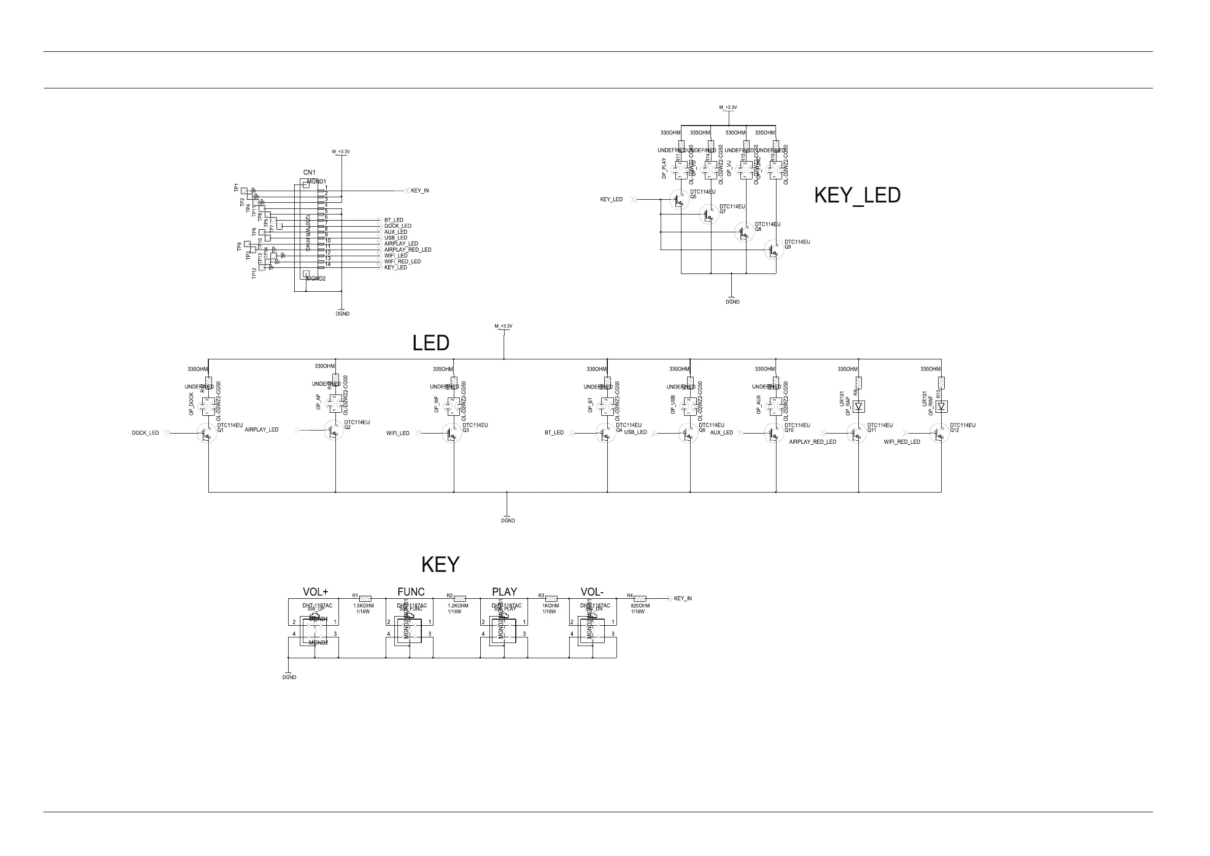
6.SchematicDiagram
6.16.KEY
VOL-
KEY
FUNCVOL+ PLAY
LED
KEY_LED
DHT-1187A CDHT-11 87AC
1/16W
1.2KOHM
DHT-11 87AC
1/16W 1/16W
1.5KOHM 1KOHM
DHT-1187AC
OL-D2WZ2-CG50
DTC114E U
OL-D2WZ2-CG50OL-D2WZ2-CG50
DTC114E U
330O HM
UNDEFINED
820OHM
1/16W
330O HM
TP
TP
TP
TP
TP
TP
330O HM
330O HM
M_+3.3V
TP
330O HM
DGND
DTC114E U
DTC114E U
DTC114EU
M_+3.3V
DGND
12507WR- H14G
330OHM
UNDEF INED
OL-D2WZ2-CG50
UNDEFINED UNDEFINED UNDEFINED
330O HM
DTC114E U
DGND
UNDEFINED
DTC114E U
330O HM
330OHM
UNDEF INED
DTC114E U
OL-D2WZ2-CG 50
UNDEF INED
M_+3.3V
330OHM
OL-D2WZ2-CG 50
DTC114EU
DTC114EU
UR1 01
DTC114E U
330O HM
OL-D2WZ2-CG50
UNDEFINED
OL-D2WZ2-CG50
UR1 01
OL-D2WZ2-CG50
330O HM
UNDEFINED
DGND
DTC114E U
OL-D2WZ2-CG50
OP _BT
OP _VD
OP _P LAY
OP _VU
OP _FUNC
OP _DOCK
OP _AUX
OP _US B
OP _WF
OP _AP
Q9
Q8
Q7
Q5
Q1 2Q1 1Q1 0Q6Q4Q3
Q2
Q1
OP _RWF
OP _RAP
R1 4
R1 1
R1 5
R1 6
TP12
TP13
TP14
TP3 TP4
TP2
TP1
R1 3
R9
CN1
TP11
R12
TP9
TP10
R8
TP7
TP5
TP8
TP6
R7
R6
R5
R10
SW_ DNS W_P LAYS W_FUNCS W_UP
R1 R2 R4R3
WIFI_RED_LED
KEY_IN
KEY_IN
BT_LED
AUX_LED
DOCK_LE D
US B_LED
KEY_LED
USB_LED
AIRPLAY_LED
AIRPLAY_RED_LED
WIFI_LED
WIFI_RED_LED
KEY_LED
AUX_LEDBT_LED
DOCK_LED
AIRPLAY_LED
AIRP LAY_RED_LED
WIFI_LED
MGND2
MGND1
14
13
12
11
10
9
8
7
6
5
4
3
2
1
MGND2 MGND1
4 3
2 1
MGND2 MGND1
4 3
2 1
MGND2 MGND1
4 3
2 1
MGND2
MGND1
4 3
2 1
B
C
E
B
C
E
B
C
E
B
C
E
B
C
E
B
C
E
B
C
E
B
C
E
B
C
E
B
C
E
B
C
E
B
C
E
21
21
21
21
21
21
2
1
2
1
21
21
6-17Copyright©1995-2012SAMSUNG.Allrightsreserved.

Other manuals for Samsung DA-E750

Related product manuals