EasyManua.ls Logo

Samsung DA-E750 - POWER

Samsung DA-E750
57 pages
Print Icon
To Next Page IconTo Next Page
To Next Page IconTo Next Page
To Previous Page IconTo Previous Page
To Previous Page IconTo Previous Page
Loading...
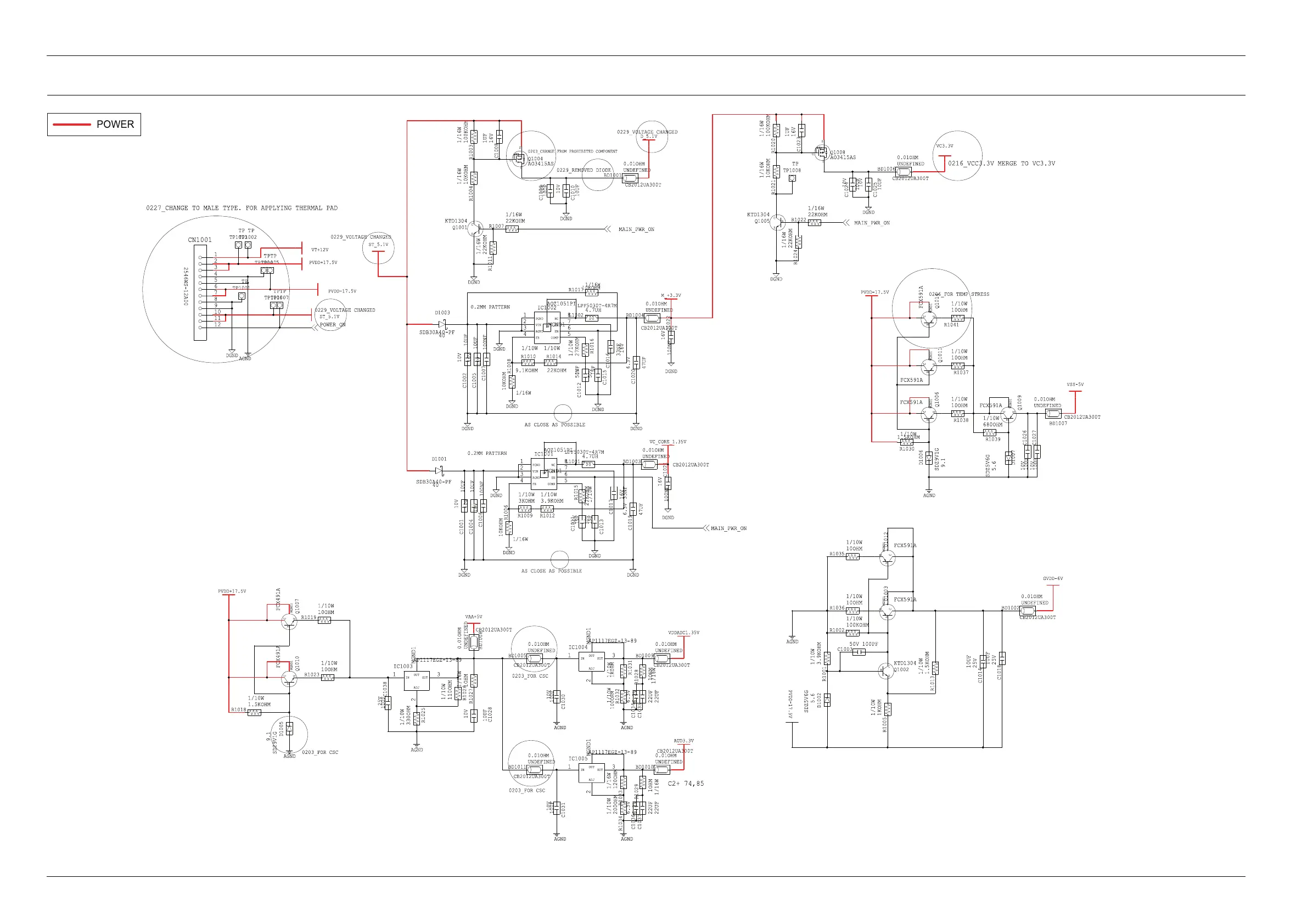
6.SchematicDiagram
6.3.POWER
POWER
0227_CH ANGE TO MALE TYPE. FOR AP PLYING T HERMAL PAD
02 29_ VOLTAGE CHANGED
02 29_ VOLTAGE CHANGED
02 29_ REMOVED DI ODE
0. 2MM PATTERN
AS C LOSE AS POSSIB LE
02 0 3_ CHANGE FROM PROHI BI TED COMPONENT
02 03_ FOR C SC
02 03_ FOR C SC
02 03 _FOR CSC
C2+ 74 ,8 5
02 06 _FOR T EMP STRESS
0216_VCC3 . 3 V MERGE TO VC3. 3 V
AS C LOSE AS POSSIB LE
02 29_ VOLTAGE C HANGED
0. 2 MM PATTERN
LPF50 30T-4 R7M
4. 7 UH
LPF5 03 0T- 4 R7M
4. 7 UH
SDB3 0 A4 0 - PF
40
10 UF
1/ 10 W
CB20 12 UA30 0T
10 KOHM
AGND
1/ 10 W
1/ 10 W
CB20 12 UA3 00 T
33 NF
9. 1 KOHM
UNDEFI NED
0. 01 OHM
FCX4 91A
10 UF
CB20 12 UA300T
0. 0 1OHM
1/ 10 W
22 KOHM
47 UF
6. 3 V
1/ 10 W
16 V
DGND
D_5. 1V
ST_5.1V
ST_5.1V
DGND
AOZ10 5 1PI
10 0NF
10 UF
DGND
PVDD-17.5V
TPTP
PVDD+17.5V
PVDD+17.5V
AGND
DGND
VC_CORE_1 . 35 V
0. 0 1OHM
UNDEFIN ED
10 V
VAA+5V
22 KOHM
10 UF
22 KOHM
1/ 16 W
KTD13 0 4
10 V
DGND
3KOHM
16 V
VT+12V
10 0NF
10 UF
DGND
SDB3 0 A4 0 - PF
25 4 6WS- 1 2 A00
UNDEFI NED
CB201 2UA30 0T
10 V
27 KOHM
DGND
CB201 2UA30 0T
UNDEFI NED
AUD3. 3 V
CB20 12 UA30 0T
0. 01 OHM
1/1 0W
1/ 10 W
1/ 10 W
DGND
33 NF
10 UF
10 V
1/ 16W
0. 01 OHM
UNDEFI NED
CB20 12 UA30 0T
VC3. 3V
10 UF
10 V
TP
DGND
FCX5 91A
1/ 10 W
10 OHM
FCX5 9 1A
1/ 10 W
1. 5 KOHM
1/ 1 0W 1/ 10 W
1KOHM
AP11 1 7EGZ- 1 3- 89
DGND
16 V
22 KOHM
1/ 16 W
DGND
KTD13 0 4
10 KOHM
1/ 16 W 1/ 16 W
10 0 KOHM
1/ 16 W
22 KOHM
AO341 5AS
16 V
1UF
10 UF
10 V
PVDD- 1 7. 5 V
DGND
10 OHM
10 OHM
FCX5 9 1A
TP
25 V
10 OHM
1. 5 KOHM
1/ 10 W
AGND
9.1
SDZ9V1 G
AP11 1 7EGZ- 1 3- 89
AGND
0. 0 1OHM
UNDEFI NED
10 0OHM
0. 01 OHM
DGND
3. 9KOHM
50 V 1 00 PF
10 0 KOHM
1/ 10 W
10 UF
FCX4 91A
10 OHM
AGND
1/1 0W
33 0OHM
1/ 10 W
110 OHM
AP11 1 7EGZ- 1 3- 89
10 V
10 UF
1/1 6W
1OHM
CB20 12 UA300T
AGND
10 V
10 UF
AGND
200 OHM
6.3 V
6. 3 V
1/1 6W
120 OHM
10 V
UNDEFI NED
6. 3 V
6.3 V
0. 01 OHM
DGND
DGND
10 V
10 V
1/ 1 6W
DGND
1/ 16 W
50 V
1NF
50 V
1NF
3. 9 KOHM
AOZ10 5 1PI
27 KOHM
1/ 10 W
16V
DGND
10 KOHM
TP
TP
TPTP
40
10 V
1/ 16 W
10 KOHM
1/ 16 W
1UF
16 V
1/ 16 W
1/ 10 W
FN1 V05
10 KOHM
50 V
1NF
6. 3 V
47 UF
1/ 1 6W
10 UF
10 V
AO341 5AS
10 0 KOHM
22 UF 22 UF 1OHM1OHM
22 UF 1/ 16 W
UNDEFIN ED
22 UF
UNDEFIN ED
CB20 12 UA30 0T
SDZ5V6G
PVDD- 1 7. 5 V
1/ 1 0W5. 6
1/ 10 W
1KOHM
0. 01OHM
AGND
VDDADC1. 35 V
10 0NF
1/ 10 W
10 OHM
FCX5 9 1A
KTD13 0 4
1/ 1 0W
1. 5KOHM
10 UF
25 V
10 UF
25 V
AGND
9. 1
1/ 10 W
10 OHM FCX5 9 1A
SDZ5V6 G
5. 6
10 V
10 UF
10 UF
10 V
1/ 10 W
68 0 OHM
UNDEFI NED
0. 01 OHM
CB20 12 UA30 0T
0. 01 OHM
GVDD- 6 V
CB20 12 UA30 0T
10 0NF
M_ +3 . 3V
FCX5 9 1A
1/ 10 W
VSS- 5 V
UNDEFI NED
SDZ9V1 G
R104 1
Q101 4
BD101 1
BD100 5
Q101 0
D1005
R10 18
R10 23
R101 9
D100 6
Q100 7
R103 6
R103 5
Q101 2
R103 8
R103 7
R103 0
R103 9
Q101 1
TP10 08
TP1 00 1
6001PT 7001PT
4001PT 5001PT
2001PT 3001PT
R102 4
R10 11
CN100 1
R10 29 R10 28
R10 27
I C100 3
I C100 5
I C100 4
BD10 08
C103 8
C100 3
D100 2
BD10 07
C102 7
C102 6
D100 7
Q100 9
Q100 6
BD10 02
C101 8
C101 4
R101 3
R100 2
R100 1
R100 5
Q100 2
Q100 3
C101 7
C101 6
C10 28
C10 31 C10 30
R10 25
R102 6
I C100 1
I C100 2
Q100 5
R102 2
R102 1
Q100 8
C102 4
C102 5
R102 0
C102 3
BD10 06
R10 34 R103 3
BD101 0
C103 6
C103 7 C103 5
C103 4
R103 1
R103 2
BD100 9
C100 8
R10 04
R100 7
R10 03
C100 9
C10 10
BD100 1
Q1001
Q100 4
C102 1
BD100 3
C10 19
L10 01
C101 3
R10 15
C10 11
R10 12R1009
C100 6
C100 4
C100 1
R10 06
D1001
C102 2
BD10 04
C102 0
R101 7
L100 2
R101 6
C101 5
C10 12
R101 4R101 0
R10 08
C100 7
D100 3
C100 5
C100 2
MAI N_ PWR_ON
POWER_ON
MAI N_ PWR_ON
MAI N_ PWR_ON
12
11
10
9
8
7
6
5
4
3
2
1
MGND1
3
2
1
MGND1
3
2
1
MGND1
3
2
1
MGND1
8
7
6
54
3
2
1
MGND1
8
7
6
54
3
2
1
E
B
C
S
D
G
MGND1
E
B
C
MGND1
E
B
C
MGND1
E
B
C
MGND1
E
B
C
MGND1
E
B
C
MGND1
E
B
C
MGND1
E
B
C
E
B
C
MGND1
E
B
C
OUT
ADJ
OUTI N
LX
EN
COMP
NC
SS
FB
AGND
VI N
PGND
LX
EN
COMP
NC
SS
FB
AGND
VI N
PGND
E
B
C
S
D
G
OUT
ADJ
OUTI N
OUT
ADJ
OUTI N
6-3Copyright©1995-2012SAMSUNG.Allrightsreserved.

Other manuals for Samsung DA-E750

Related product manuals