EasyManua.ls Logo

Samsung DA-E750 - JACK-2

Samsung DA-E750
57 pages
Print Icon
To Next Page IconTo Next Page
To Next Page IconTo Next Page
To Previous Page IconTo Previous Page
To Previous Page IconTo Previous Page
Loading...
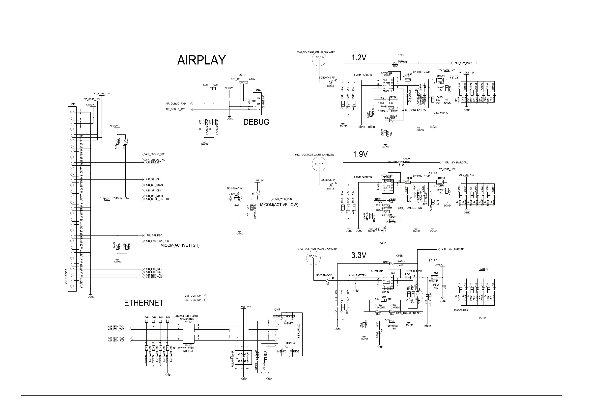
6.SchematicDiagram
6.14.JACK-2
0303_T RANSIENT NG
AIRPLAY
0.2MM P ATTERN
0303_V OLTAGE VALUE CHANGED
0303_V OLTAGE VALUE CHANGED
0303_T RANSIENT NG
0303_T RANSIENT NG
MICOM(ACTIVE LOW)
2203-005480
72, 82
DEBUG
ETHERNET
0.2MM P ATTERN
1.2V
1.9V
0.2MM P ATTERN
72, 82
2203-005480
3.3V
72, 82
0303_V OLTAGE VALUE CHANGED
MICOM(ACTIVE HIGH)
390O HM1/10W
SKHHLNA010
LP F5 0 30T-4R7M
4.7UH
LP F5 0 30T-4R7M
4.7UH
LP F5 0 30T-4R7M
4.7UH
AOZ1051P I
OP EN
16V
100KOHM
47UF
100KOHM
OP EN 1/16W
16V
100NF
6.3V
100KOHM
OP EN
6.3V
47UF
10KOHM
OP EN
OP EN
OP EN
OP EN
AOZ1051P I
OP EN
10KOHM
1/16W
33KOHM
33KOHM
50V 1NF
50V
LOP IVA16G0 5
SDCW2012H-2-900TF
S DB30A40-P F
ST_5.1V
DGND
ST_5.1V
ST_5.1V
20KOHM
3.3NF
DGNDDGND
DGND
12
10 KOHM
BS -RUR0200
DGND
30KOHM
3.3NF
1/10W
DGND
30KOHM
AIR3.3V
1/16W
100NF
16V
50V
10UF
10UF
10UF
DGND
LOP IVA16G05
25V
100NF
S DB30A40-P F
1NF
1/10W
50V
100NF
16V
AIR3.3V
25V
25V 10UF
10UF
AIR3.3V
10 KOHM
10 KOHM
10 KOHM
10 KOHM
40
40
40
1.8NF
6.3V
1NF
16V
10NF
16V
10NF
16V
100NF
16V
100NF
16V
100NF
16V
100NF
16V
100NF
16V
100NF
16V
100NF
16V
100NF
16V 16V
100NF
16V
100NF
16V
100NF
16V
100NF
16V
100NF
16V
100NF
16V
100NF
16V
100NF
DGND
12
DGND
12V DC
SDCW2012H-2-900TF
DGND
LOP IVA16G05
RCLAMP 0504F
10UF
LOP IVA16G0 5
0
25V
10 KOHM
AOZ1051P I
AIR3.3V
VC_CO RE_1.2V
UNDEFINED
12
12
12
DGND
VC_CO RE_1.9V
DGND
DGND
DGND
DGND
1/16W
VC_CO RE_1.9V
25V
10UF
25V10UF
10UF
1/16W
VC_CO RE_1.2V
12
US B_ 5.0V
UNDEFINED
AIR3.3V
DGND
AIR3.3V
DGND
VC_CO RE_1.9V
DGND
50V
1NF
16V100NF
1NF
5.1KOHM
DGND
50 V
100NF
DGND
VC_CO RE_1.2V
25V
10022HS -05C
0.01OHM
12KOHM
OP EN
DGND
50V
DGND
DGND
DGND
1/16W
10KOHM
DGND
100NF
DGND
16V
0.01OHM
1.2KOHM
DGND
1/16W
16V
16V
100NF
16V
100NF
16V
100NF
100NF
47UF
1/10W
50V
S DB30A40-P F
DGND
12
10 KOHM
LOP IVA16G0 5
50V
3.3NF
20KOHM
DGND
DGND
LOP IVA16G05
0.01OHM
25426HS -64A
DGND
1/10W
25V
LOP IVA16G05
DGND
25V
C10
DG_TP
TX41 RX41
DG1_T P A3.3V
VT7
VT6
VT5
C6
C21
C1
C23
C20
C5
C22
C8
C4
C24
CN4
R26
R404 7
R27R25
D5
R24
C9
R103
C11
C12
L1
R102
BD1
C13
C14
C15
C16
C17
C18
C19
C7
C101
IC1
CN1
D2
CN7
R14
R13
R10
R3
S W1
C407 7
C407 6
R404 5
R404 3
R404 2
R404 6
R404 4
VT4004
VT4003
VT4002
VT4001
FT4002
FT4001
R405 6
R405 2
PXT NXT PXR NXR
C410 3
C410 2
D4012
C102
IC4007
C408 1
C408 3
R107
C408 5
L4004
R105
BD4013
C408 7
C408 9
C409 1
C409 3
C409 5
C409 9
C409 7
C410 1
R106
C408 4
C410 0
C409 8
C409 6
C409 4
C409 2
C409 0
C408 8
C408 6
BD4004
R104
L4003
C408 2
C408 0
IC4006
D4008
R403 6
AIR_SPI_DO UT
AIR_SPI_CLK
AIR_SPI_NCS0
AIR_SPDIF_O UTPUT
AIR_FACTO RY_RESET
AIR_1.9V_P WRCTRL
AIR_DUBUG_RXD
USB_CO N_DM
AIR_ETH_TXP
AIR_SPI_REQ
AIR_ETH_RXN
AIR_WPS_PBC
AIR_ETH_TXP
AIR_NRESET
AIR_ETH_RXP
USB_CO N_DP
AIR_1.2V_P WRCTRL
AIR_ETH_TXN
AIR_1.9V_P WRCTRL
AIR_DEBUG _TXD
AIR_SPI_DIN
AIR_ETH_RXP
AIR_ETH_RXN
AIR_ETH_TXN
AIR_DUBUG_RXD
AIR_DEBUG _TXD
5
4
3
2
1
MGND1
8
7
6
54
3
2
1
64
63
62
61
60
59
58
57
56
55
54
53
52
51
50
49
48
47
46
45
44
43
42
41
40
39
38
37
36
35
34
33
32
31
30
29
28
27
26
25
24
23
22
21
20
19
18
17
16
15
14
13
12
11
10
9
8
7
6
5
4
3
2
1
6
5
43
2
1
MGND6
MGND5
MGND4
MGND3
MGND2
MGND1
10
9
8
7
6
5
4
3
2
1
MGND2
MGND1
2 1
4
32
1
4
32
1
MGND1 8
7
6
54
3
2
1
MGND1
8
7
6
54
3
2
1
LX
EN
CO MP
NC
S S
FB
AGND
VIN
P GND
LX
EN
CO MP
NC
S S
FB
AGND
VIN
P GND
LX
EN
CO MP
NC
S S
FB
AGND
VIN
P GND
6-15Copyright©1995-2012SAMSUNG.Allrightsreserved.

Other manuals for Samsung DA-E750

Related product manuals