EasyManua.ls Logo

Samsung DA-E750 - VT-1

Samsung DA-E750
57 pages
Print Icon
To Next Page IconTo Next Page
To Next Page IconTo Next Page
To Previous Page IconTo Previous Page
To Previous Page IconTo Previous Page
Loading...
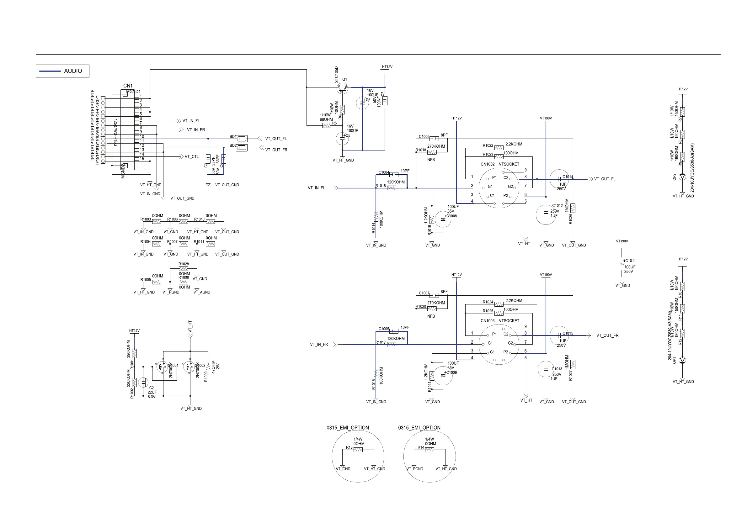
6.SchematicDiagram
6.11.VT-1
AUDIO
0315_EMI_OPT ION 0315_EMI_OPT ION
G1
NFB
P 2
G2
C1
G2
P 1 C2
P 1 C2
G1
C1
P 2
NFB
VT_HT_GND
VT_PGND
VT_HT_GND
HT12V
2.2KOHM
100UF
VT_GND
VT_HT_GND VT_HT_GND
1/4W
0O HM
VT_GND
0OHM
1/4W
VT_OUT_GNDVT_GNDVT_IN_GN D
0OHM
0OHM
10PF
120KO HM
100KOHM
VT_IN_GN D
100UF
1.2KOHM
100KOHM
120KO HM
250V
100UF
TPTPTPTP TP TP TP TPTPTPTPTP TP TP TP
12507WS-H15G
1/10W
68OHM
1/10W
180OHM
1/10W
180OHM
390KOHM
0OHM
0OHM
0OHM
0OHM 0OHM
0OHM0OHM
270KO HM
270KO HM
1MOHM 1MOHM
2.2KOHM
100O HM
100O HM
1.2KOHM
204- 10U YOC/S530-A3(S AM)
204- 10UYOC/ S530- A3(S AM)
50 V 33PF
50 V 33PF
16V
100UF
VT_HT_GND
16V
100UF
STC4 05D
VT_IN_GN D
VT190V
1/10W
150OHM
VT_GND
8PF
10PF
VTSOCKET
VT_HT_GND
VT_HT_GND VT_OUT_GND
2N7 002K
VT190V
1/10W
VT_GNDVT_GND
VT_OUT_GND
50V
100N F
VT_HT_GND
47OHM
35V
1UF
1UF
250V
1/10W
10OHM
HT12V
HT12V
HT12V
VT_OUT_GND
150OHM
HT12V
VT_GNDVT_IN_GN D
VT_GND
VT_IN_GN D
VT_P GND VT_AGND
VT190V
8PF
VT_GND
HT12V
150OHM
1/10W1/10W
VT_HT_GND
VT_HT_GND
2W
2N7 002K
35V
150OHM
1UF
1UF
250V
VTSOCKET
250V
VT_OUT_GND
250V
VT_OUT_GND
22UF
220KOHM
6.3V
R14R13
2PT3PT4PT5PT6PT7PT8PT9PT01PT11PT21PT31PT41PT51PT
C2
C1 013
C1 012
CN1
C4
C3
TP1
BD2
BD1
C6
C7
R5
R6
C5
Q1
R1 2 R1 1 R1 0 R9 R7R8
OP 1 OP 2
C1 011
R1028
R1008
R1005
R1015
R1017
C1005
R1021
R1020
C1007
C1009
CN1003
R1 027
C1 015
R1 025
R1 024
R1009
Q1002
R1001R1002
Q1001
R100 4 R100 7 R1011
R1010R1006R1003
C1006
R1014
R1018
R1 026
R1 022
C1 014
R1 023
CN1002
C1008
R1019
R1016
C1004
VT_IN_FL
VT_OUT_F L
VT_HT
VT_IN_FL
VT_OUT_FL
VT_HT
VT_IN_FR
VT_HT
VT_CTL
VT_IN_FR
VT_OUT_FR
VT_OUT_F R
MGND2
MGND1
15
14
13
12
11
10
9
8
7
6
5
4
3
2
1
9
8
7
6
54
3
2
1
9
8
7
6
54
3
2
1
E
B
C
S
D
G
S
D
G
Copyright©1995-2012SAMSUNG.Allrightsreserved.6-12

Other manuals for Samsung DA-E750

Related product manuals