EasyManua.ls Logo

Samsung MX-C730 - Front

Samsung MX-C730
73 pages
Print Icon
To Next Page IconTo Next Page
To Next Page IconTo Next Page
To Previous Page IconTo Previous Page
To Previous Page IconTo Previous Page
Loading...
7-2 Samsung Electronics
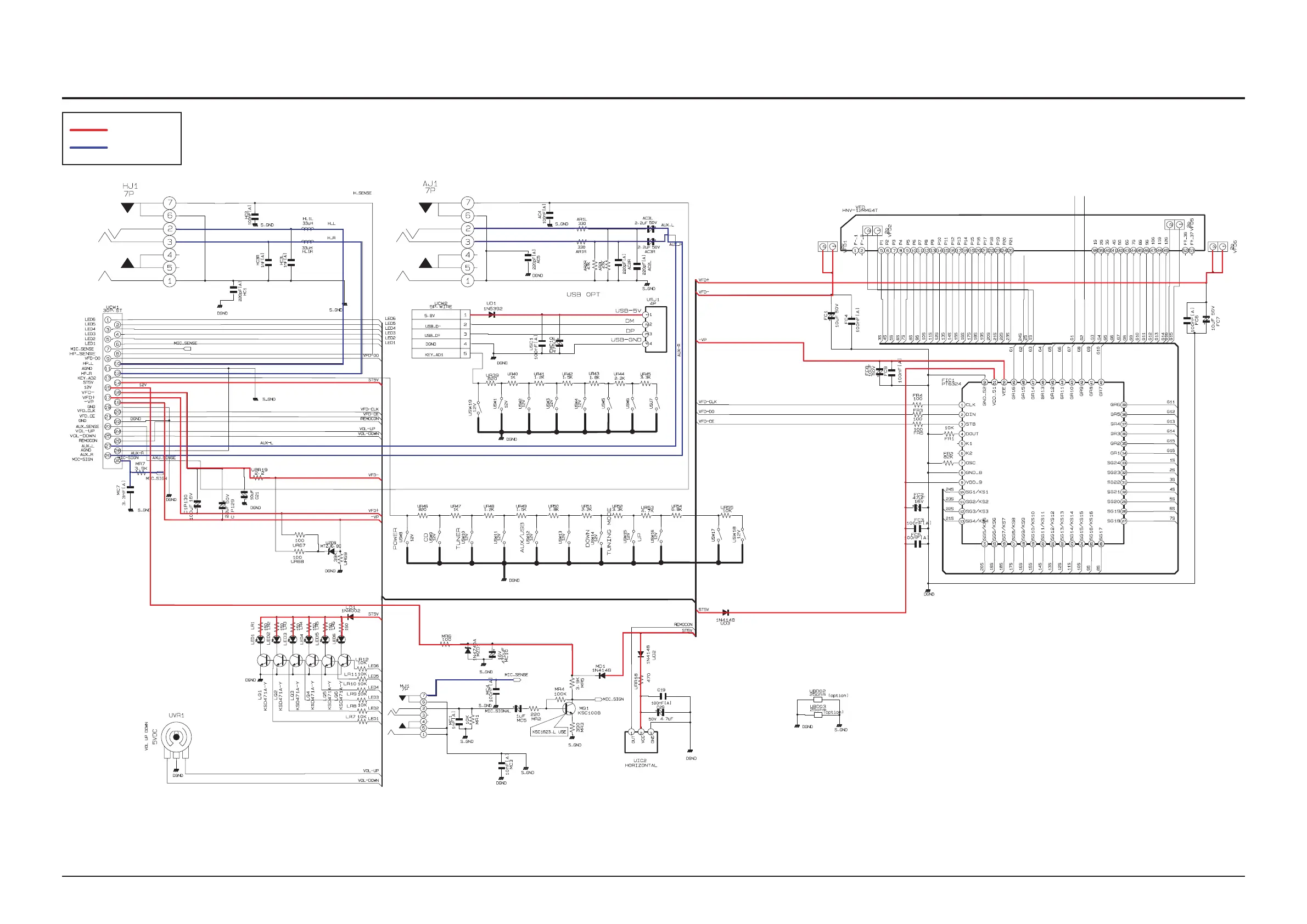
Schematic Diagram
This Document can not be used without Samsung’s authorization.
7-2 FRONT
POWER
AUDIO

Related product manuals