EasyManua.ls Logo

Samsung RB195ACWP - WIRING DIAGRAM; Wiring Diagram

Samsung RB195ACWP
97 pages
To Next Page IconTo Next Page
To Next Page IconTo Next Page
To Previous Page IconTo Previous Page
To Previous Page IconTo Previous Page
Loading...
93
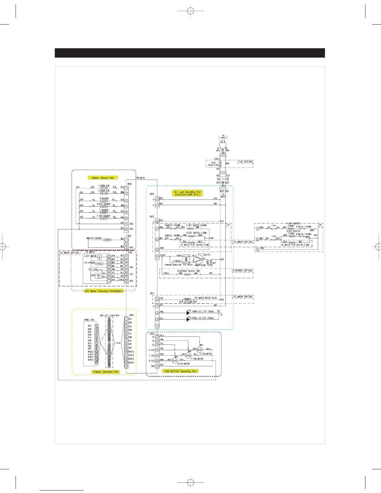
7. Wiring Diagram
NW--AC 2010.6.8 3:48 PM 9 3 i n

Table of Contents

Related product manuals