EasyManua.ls Logo

Samsung SCA23 - Reference Information

Samsung SCA23
134 pages
Print Icon
To Next Page IconTo Next Page
To Next Page IconTo Next Page
To Previous Page IconTo Previous Page
To Previous Page IconTo Previous Page
Loading...
2. Reference Information
2-1 IC Blocks
Reference Information
Samsung Electronics 2-1
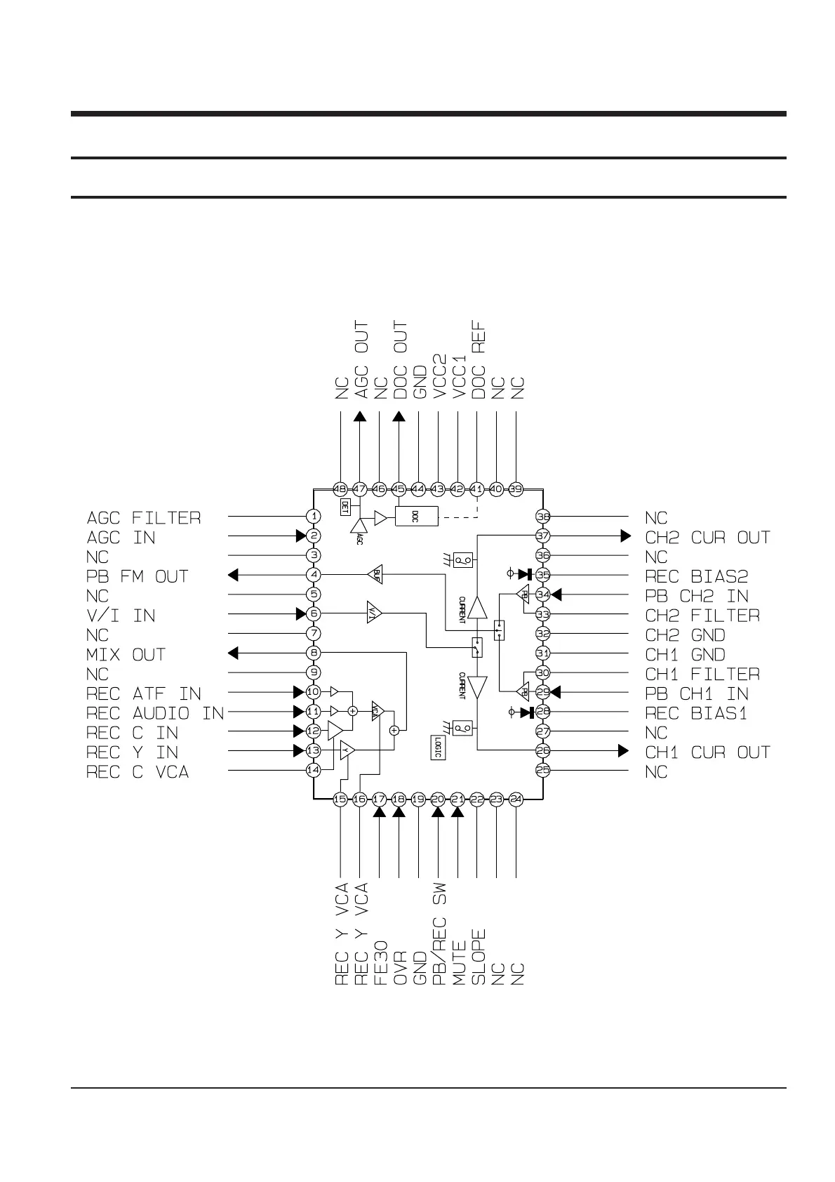
2-1-1 IC101 (M52369FP)

Related product manuals