EasyManua.ls Logo

Samsung SCA23 - Drum Servo

Samsung SCA23
134 pages
Print Icon
To Next Page IconTo Next Page
To Next Page IconTo Next Page
To Previous Page IconTo Previous Page
To Previous Page IconTo Previous Page
Loading...
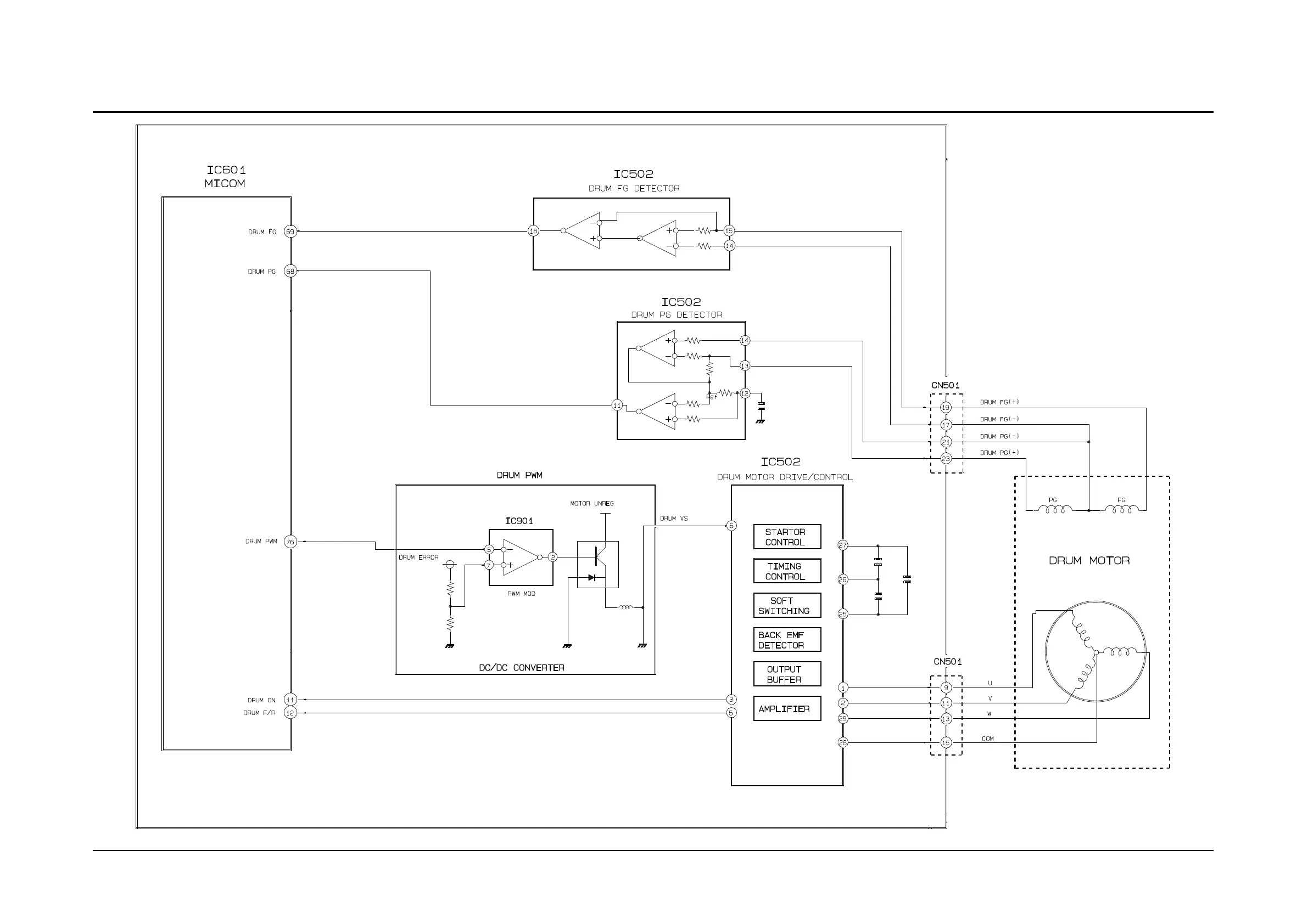
Block Diagrams
Samsung Electronics 8-5
8-4 Drum Servo

Related product manuals