EasyManua.ls Logo

Samsung SCA23 - DC;DC Converter

Samsung SCA23
134 pages
Print Icon
To Next Page IconTo Next Page
To Next Page IconTo Next Page
To Previous Page IconTo Previous Page
To Previous Page IconTo Previous Page
Loading...
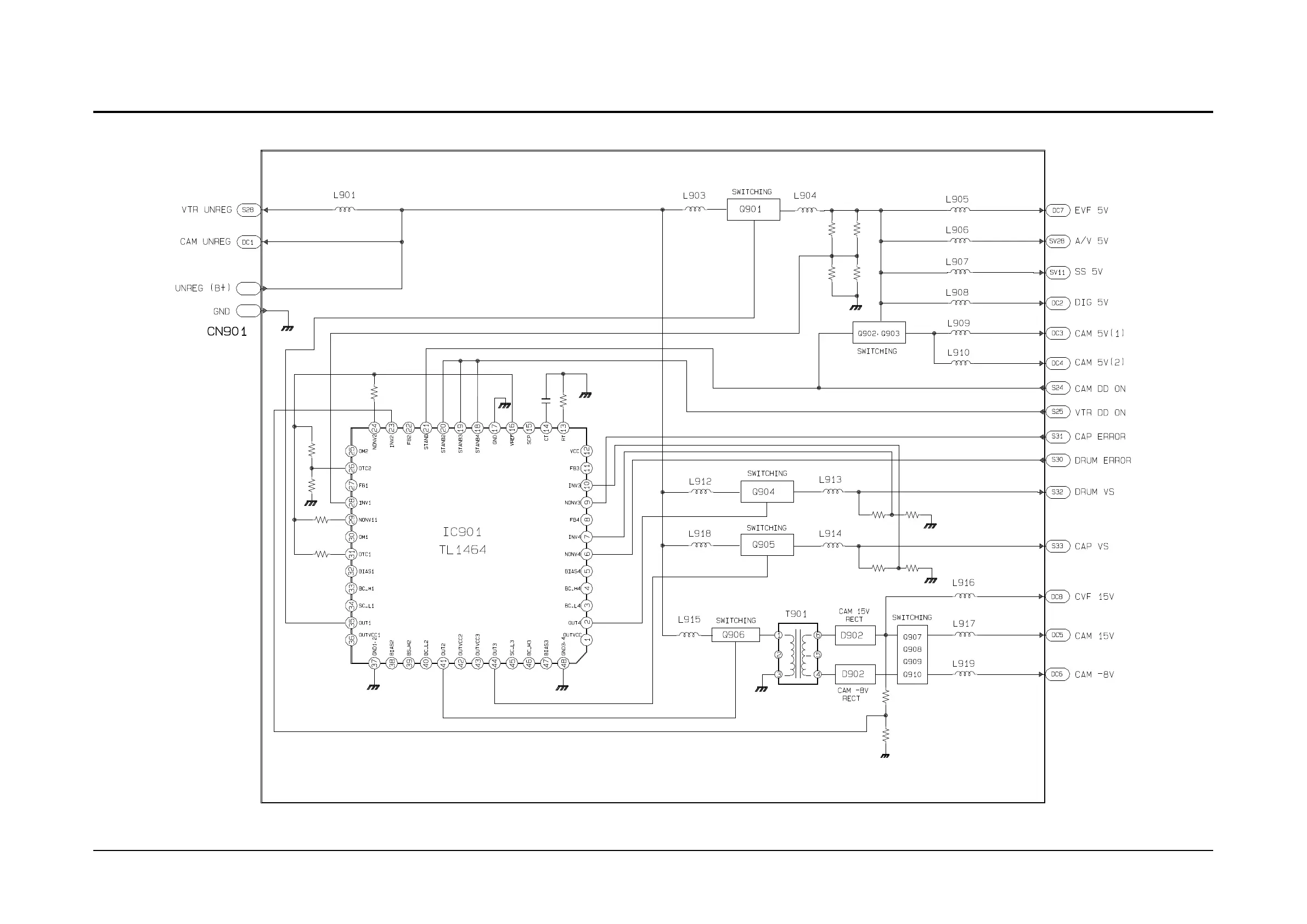
Block Diagrams
8-4 Samsung Electronics
8-3 DC/DC Converter

Related product manuals