EasyManua.ls Logo

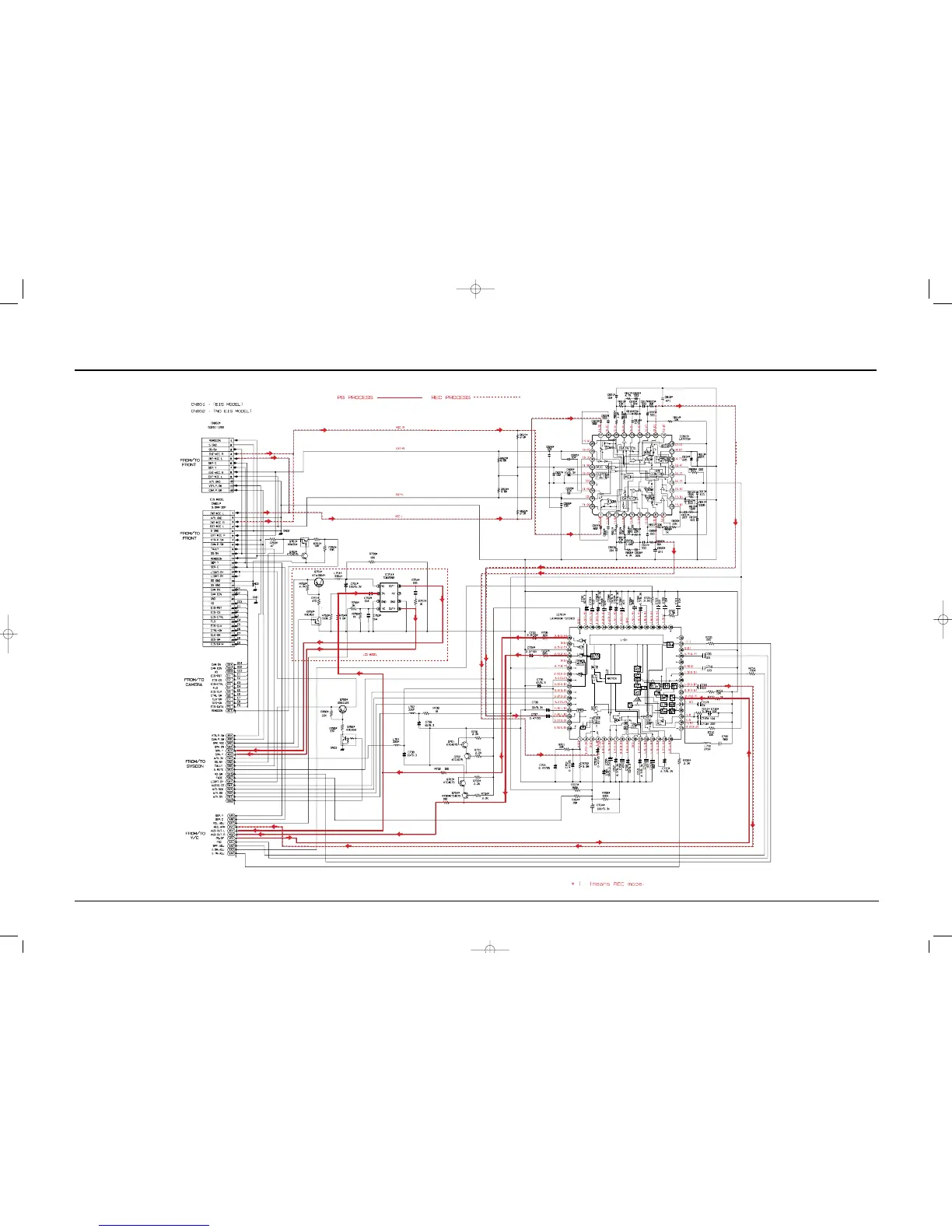
Samsung SCA30 - Audio (Stereo) (Main)

Samsung SCA30
130 pages
To Next Page IconTo Next Page
To Next Page IconTo Next Page
To Previous Page IconTo Previous Page
To Previous Page IconTo Previous Page
Loading...
Samsung Electronics 10-7
Schematic Diagrams
10-6 Audio (Stereo) (Main)
10. Schematic Diagrams 3/27/95 10:04 AM Page 7

Other manuals for Samsung SCA30

Related product manuals